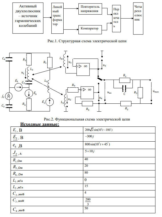
Для студентов МГТУ им. Н.Э.Баумана по предмету Электротехника (ЭлТех)Анализ установившихся и переходных режимов в линейных и электрических цепях Вариант 7Анализ установившихся и переходных режимов в линейных и электрических цепях Вариант 7
4,885269
2021-04-222021-04-22СтудИзба
Курсовая работа: Анализ установившихся и переходных режимов в линейных и электрических цепях Вариант 7 вариант 7
Описание
Анализ установившихся и переходных режимов в линейных и электрических цепях Вариант 7
![]()

Характеристики курсовой работы
Предмет
Учебное заведение
Семестр
Вариант
Просмотров
74
Размер
1,54 Mb
Список файлов
93073bКурсовая работа элтех.pdf
Комментарии
Нет комментариев
Стань первым, кто что-нибудь напишет!
МГТУ им. Н.Э.Баумана



















