Курсовая работа: Курсач по элтеху вариант 19
Описание
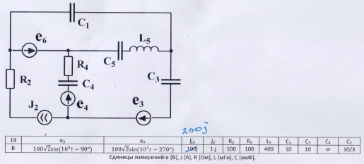
Готовый курсач по элтеху
![]()

Характеристики курсовой работы
Предмет
Учебное заведение
Семестр
Вариант
Теги
Просмотров
134
Размер
816,17 Kb
Список файлов
Комментарии
Нет комментариев
Стань первым, кто что-нибудь напишет!
МГТУ им. Н.Э.Баумана


















