Для студентов МГТУ им. Н.Э.Баумана по предмету Электротехника (ЭлТех)Вариант 7Вариант 7
4,965139
2019-10-082019-10-08СтудИзба
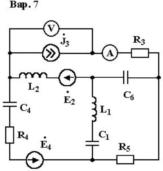
Курсовая работа: Вариант 7 вариант 7
Описание

Характеристики курсовой работы
Предмет
Учебное заведение
Семестр
Вариант
Просмотров
263
Размер
1,24 Mb
Список файлов
Вариант 7.pdf
Вопросы
Вопрос
Номинальная мощность на валу электродвигателя
МГТУ им. Н.Э.Баумана
zluovennxkei


















