Для студентов МГТУ им. Н.Э.Баумана по предмету Электротехника (ЭлТех)Практика к экзаменуПрактика к экзамену
5,0057
2021-10-222021-10-22СтудИзба
Ответы к экзамену: Практика к экзамену
Описание
Подробное решение всех задач (для любопытных даже есть схемы в мультисиме).
По запросу могу решить любые другие задачи :)
В архиве решение следующих задач:
По запросу могу решить любые другие задачи :)
В архиве решение следующих задач:
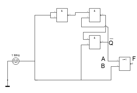
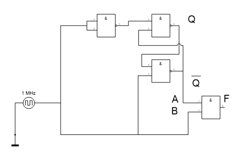
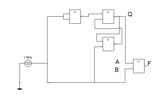
Задача к билету №14
Два триггера с прямыми и инверсными входами предварительной установки.
Задача к билету №15
Два триггера с прямыми и инверсными входами предварительной установки.
Задача к билету № 16
- Принцип действия.
- Уравнение конечного элемента.
- Осциллограмма.
Задача к билету № 17

- Принцип действия.
- Уравнение конечного элемента.
- Осциллограмма.
Задача к билету № 18
- Принцип действия.
- Осциллограмма.
- Уравнение конечного элемента.
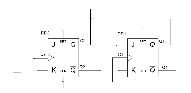
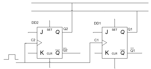
Задача к билету № 19

№ импульса | Q2 | Q1 |
0 | 1 | 0 |
1 | 0 | 1 |
2 | 0 | 0 |
- Схема кнопки начальной установки.
- Подключить выводы начальной установки.
- Таблица переходов.
- Таблица состояний.
- Логика управления.
- Пояснить принцип работы.
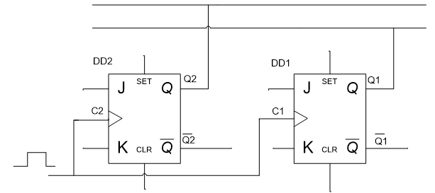
Задача к билету № 20

№ импульса | Q2 | Q1 |
0 | 0 | 1 |
1 | 1 | 0 |
2 | 0 | 0 |
- Схема кнопки начальной установки.
- Подключить выводы начальной установки.
- Таблица переходов.
- Таблица состояний.
- Логика управления.
- Пояснить принцип работы.
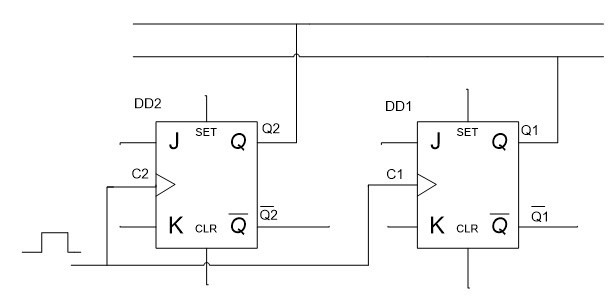
Задача к билету № 21
№ импульса | Q2 | Q1 |
0 | 0 | 0 |
1 | 1 | 0 |
2 | 0 | 1 |
- Схема кнопки начальной установки.
- Подключить выводы начальной установки.
- Таблица переходов.
- Таблица состояний.
- Логика управления.
- Пояснить принцип работы.
Задача к билету № 22

№ импульса | Q2 | Q1 |
0 | 1 | 1 |
1 | 1 | 0 |
2 | 0 | 1 |
- Схема кнопки начальной установки.
- Подключить выводы начальной установки.
- Таблица переходов.
- Таблица состояний.
- Логика управления.
- Пояснить принцип работы.
Задача к билету № 23

- Принцип действия.
- Уравнение конечного элемента.
- Осциллограмма.
Задача к билету № 24
- Принцип действия.
- Осциллограмма.
- Уравнение конечного элемента.
Характеристики ответов (шпаргалок) к экзамену
Предмет
Учебное заведение
Семестр
Просмотров
155
Размер
927,02 Kb
Список файлов
14_15.ms14
19.ms14
20.ms14
21.ms14
22.ms14
Билет.ms14
Задачи 14 и 15.docx
Задачи 16, 17, 18, 23, 24.docx
Задачи 19, 20, 21, 22.docx
Комментарии
Нет комментариев
Стань первым, кто что-нибудь напишет!
МГТУ им. Н.Э.Баумана
catspinner


















