Главная » Учебные материалы » Электроснабжение » Курсовые работы » Несколько классов/семестров » разработка схемы внутризаводского электроснабжения деревообрабатывающего завода
Для студентов по предмету Электроснабжениеразработка схемы внутризаводского электроснабжения деревообрабатывающего заводаразработка схемы внутризаводского электроснабжения деревообрабатывающего завода
5,0053866
2025-01-28СтудИзба

Курсовая работа: разработка схемы внутризаводского электроснабжения деревообрабатывающего завода

Описание

Содержание
Введение. 3
1. Характеристика и анализ основных исходных данных для проектирования систем внешнего и внутризаводского электроснабжения. 4
2. Определение расчетных электрических нагрузок цехов и завода в целом. 6
2.1 Определение расчетных силовых нагрузок цехов. 6
2.2 Определение расчетных электрических осветительных и суммарных нагрузок цехов. 6
2.3 Определение расчетной нагрузки завода. 8
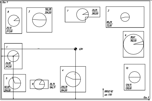
3 Составление картограммы и определение условного центра электрических нагрузок завода. 10
4 Технико-экономическое обоснование выбора напряжения внешнего электроснабжения. 12
5 Выбор единичных мощностей и количество трансформаторов цеховых ТП завода. 18
6 Компенсация реактивных нагрузок в электрических сетях завода. 21
6.1 Определение экономического значения реактивной мощности потребляемой из энергосистемы. 21
6.2 Расчет мощности батарей конденсаторов для сети напряжением до 1 кВ. 23
6.3 Определение реактивной мощности генерируемой синхронными двигателями. 24
6.4 Анализ баланса реактивной мощности на границе раздела энергоснабжающей организации и потребителя, и при необходимости определение мощности БК для сети напряжением выше 1 кВ. 24
6.5 Распределение мощности БК в сети напряжением до 1 кВ. 26
7 Разработка схемы электроснабжения завода. 28
8 Расчет ТКЗ и выбор основного электрооборудования и электроаппаратуры. 31
9 Выбор и описание способов прокладки электрических сетей внешнего и внутризаводского электроснабжения. 33
10 Электрический расчет сетей внешнего и внутризаводского электроснабжения. 34
10.1 Электрический расчет сетей внешнего электроснабжения. 34
10.2 Электрический расчет сетей внутризаводского электроснабжения. 36
Заключение. 39
Список используемой литературы. 40


Характеристики курсовой работы

Просмотров
2
Качество
Идеальное компьютерное
Размер
325,31 Kb

Список файлов

ЭЛЕКТРОСНАБ.КР..pdf
Картинка-подпись
Если нужен другой вариант работы или отдельная задача из любой работы, пишите в комментарии

Комментарии

Нет комментариев
Стань первым, кто что-нибудь напишет!
Поделитесь ссылкой:
Цена: 800 руб.
Расширенная гарантия +3 недели гарантии, +10% цены
Рейтинг автора
5 из 5
Поделитесь ссылкой:
Сопутствующие материалы

Подобрали для Вас услуги

Вы можете использовать курсовую работу для примера, а также можете ссылаться на неё в своей работе. Авторство принадлежит автору работы, поэтому запрещено копировать текст из этой работы для любой публикации, в том числе в свою курсовую работу в учебном заведении, без правильно оформленной ссылки. Читайте как правильно публиковать ссылки в своей работе.
Свежие статьи
Популярно сейчас
Зачем заказывать выполнение своего задания, если оно уже было выполнено много много раз? Его можно просто купить или даже скачать бесплатно на СтудИзбе. Найдите нужный учебный материал у нас!
Ответы на популярные вопросы
Да! Наши авторы собирают и выкладывают те работы, которые сдаются в Вашем учебном заведении ежегодно и уже проверены преподавателями.
Да! У нас любой человек может выложить любую учебную работу и зарабатывать на её продажах! Но каждый учебный материал публикуется только после тщательной проверки администрацией.
Вернём деньги! А если быть более точными, то автору даётся немного времени на исправление, а если не исправит или выйдет время, то вернём деньги в полном объёме!
Да! На равне с готовыми студенческими работами у нас продаются услуги. Цены на услуги видны сразу, то есть Вам нужно только указать параметры и сразу можно оплачивать.
Отзывы студентов
Ставлю 10/10
Все нравится, очень удобный сайт, помогает в учебе. Кроме этого, можно заработать самому, выставляя готовые учебные материалы на продажу здесь. Рейтинги и отзывы на преподавателей очень помогают сориентироваться в начале нового семестра. Спасибо за такую функцию. Ставлю максимальную оценку.
Лучшая платформа для успешной сдачи сессии
Познакомился со СтудИзбой благодаря своему другу, очень нравится интерфейс, количество доступных файлов, цена, в общем, все прекрасно. Даже сам продаю какие-то свои работы.
Студизба ван лав ❤
Очень офигенный сайт для студентов. Много полезных учебных материалов. Пользуюсь студизбой с октября 2021 года. Серьёзных нареканий нет. Хотелось бы, что бы ввели подписочную модель и сделали материалы дешевле 300 рублей в рамках подписки бесплатными.
Отличный сайт
Лично меня всё устраивает - и покупка, и продажа; и цены, и возможность предпросмотра куска файла, и обилие бесплатных файлов (в подборках по авторам, читай, ВУЗам и факультетам). Есть определённые баги, но всё решаемо, да и администраторы реагируют в течение суток.
Маленький отзыв о большом помощнике!
Студизба спасает в те моменты, когда сроки горят, а работ накопилось достаточно. Довольно удобный сайт с простой навигацией и огромным количеством материалов.
Студ. Изба как крупнейший сборник работ для студентов
Тут дофига бывает всего полезного. Печально, что бывают предметы по которым даже одного бесплатного решения нет, но это скорее вопрос к студентам. В остальном всё здорово.
Спасательный островок
Если уже не успеваешь разобраться или застрял на каком-то задание поможет тебе быстро и недорого решить твою проблему.
Всё и так отлично
Всё очень удобно. Особенно круто, что есть система бонусов и можно выводить остатки денег. Очень много качественных бесплатных файлов.
Отзыв о системе "Студизба"
Отличная платформа для распространения работ, востребованных студентами. Хорошо налаженная и качественная работа сайта, огромная база заданий и аудитория.
Отличный помощник
Отличный сайт с кучей полезных файлов, позволяющий найти много методичек / учебников / отзывов о вузах и преподователях.
Отлично помогает студентам в любой момент для решения трудных и незамедлительных задач
Хотелось бы больше конкретной информации о преподавателях. А так в принципе хороший сайт, всегда им пользуюсь и ни разу не было желания прекратить. Хороший сайт для помощи студентам, удобный и приятный интерфейс. Из недостатков можно выделить только отсутствия небольшого количества файлов.
Спасибо за шикарный сайт
Великолепный сайт на котором студент за не большие деньги может найти помощь с дз, проектами курсовыми, лабораторными, а также узнать отзывы на преподавателей и бесплатно скачать пособия.
Популярные преподаватели
Добавляйте материалы
и зарабатывайте!
Продажи идут автоматически
6929
Авторов
на СтудИзбе
266
Средний доход
с одного платного файла
Обучение Подробнее
{user_main_secret_data}