Главная » Учебные материалы » Электропривод » Домашние задания » Несколько классов/семестров » Расчет электропривода с двигателем постоянного тока независимого возбуждения
Для студентов по предмету ЭлектроприводРасчет электропривода с двигателем постоянного тока независимого возбужденияРасчет электропривода с двигателем постоянного тока независимого возбуждения
5,0054027
2025-06-26СтудИзба

ДЗ: Расчет электропривода с двигателем постоянного тока независимого возбуждения

Описание

ИСХОДНЫЕ ДАННЫЕ:ВАРИАНТ №14

Таблица 5.1 ― Тип электродвигателя по варианту
№ вариантаТип применяемого электродвигателя
2Постоянного тока независимого возбуждения
Таблица 5.2 ― Частота вращения механизма и время работы по варианту


варианта
Частота вращения механизма n1,об/минВремя работы
tр1, с
Частота вращения механизма n2,об/минВремя
работы
tр2 , с
Время
паузы
t0 , с
144050–201060
Таблица 5.3 ― Момент механизма,характер нагрузки,КПД,момент инерции по варианту

варианта
Момент механизма,
Нм
Характер нагрузкиКПД
передачи
при
максимальной частоте вращения
Момент
инерции механизма,
кг·м2
21500реактивная0,9760
Задание на проектирование: Разработать электропривод производственного механизма, удовлетворяющего следующим техническим условиям и требованиям:
  1. В качестве регулируемого электропривода принять привод постоянного тока индивидуального изготовления с параметрическим регулированием скорости изменением активного сопротивления в цепи обмотки якоря.
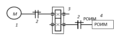
  2. Кинематическая схема электропривода имеет вид, представленный на рис. 7.1.
Рис.7.1.Кинематическаясхема электропривода:
1–двигательпостоянноготока;2–муфта; 3– редуктор;
4–рабочийорганисполнительного механизма

  1. Электропривод должен обеспечить следующие технологические частоты вращения рабочего органа производственного механизма и время работы с этими частотами вращения:
Первая технологическая частота вращения механизма
Время работы на первой технологической частоте вращения
Вторая технологическая частота вращения механизма
Время работы на первой технологической частоте вращения
Время паузы
Момент сопротивления механизма
Характер нагрузки– реактивная.
КПД передачи при максимальной частоте вращения ― 0,97
Момент инерции механизма ― 60 кг

СОДЕРЖАНИЕ
1.ИСХОДНЫЕ ДАННЫЕ:ВАРИАНТ №14. 3
2.Расчет моментов нагрузки и моментов инерции производственного механизма 6
3.Выбор типа электропривода. 8
3.1Предварительный выбор двигателя по мощности. 9
4.Определение параметров двигателя постоянного тока независимого возбуждения 14
5.Расчет основных элементов силовой цепи электропривода и естественных механических и электромеханических характеристик. 15
6.Противовключение машины постоянного тока. 20
7.Расчёт переходных процессов скорости, момента и тока за один цикл работы привода 22

Характеристики домашнего задания

Просмотров
2
Качество
Идеальное компьютерное
Размер
307,21 Kb

Список файлов

avtom-privod.docx
Картинка-подпись
Если нужен другой вариант работы или отдельная задача из любой работы, пишите в комментарии

Комментарии

Нет комментариев
Стань первым, кто что-нибудь напишет!
Поделитесь ссылкой:
Цена: 500 руб.
Расширенная гарантия +3 недели гарантии, +10% цены
Рейтинг автора
5 из 5
Поделитесь ссылкой:
Сопутствующие материалы
Отработать приёмы разработки цифровой схемы управления
Построить естественную и механическую характеристики двигателя постоянного тока последовательного возбуждения с техническими данными: Рном=42 кВт; напряжение Uном=220 В; rдоб=1,5 Ом,Iаном=219 А,nном=1000 обмин.
Трехфазный асинхронный двигатель с фазным ротором имеет технические данные: n1=1000 об/мин - синхронная частота вращения; Uном=380 B; Рном=55 кВт-номинальная мощность; η=88% - КПД, номинальное скольжение sном=6 %; I2ном=122 А-ток ротора; Е2=350 В - Э
Регулирование скорости асинхронного короткозамкнутого двигателя осуществляется переключением обмоток статора с одной схемы на другую. Построить устойчивую часть механических характеристик. Определить схемы включения обмоток и номинальные токи. Рном=4
Двигатель постоянного тока независимого возбуждения имеет номинальные данные: мощность Рном=6 кВт; напряжение Uном=220 В; частота вращения nном=850 об/мин; сопротивление цепи при рабочей температуре ∑r=0,32; КПД (ηном=76%). Требуется определить сопро
-рассчитать момент инерции стального диска, удельный вес γ=7,8 кг⁄дм3 -рассчитать время торможения диска tт колодкой тормоза при давлении на неё P, считая что, коэффициент трения kтр=0,4. представить графически w(t). D=350 мм,d=40 мм,D1=70 мм h=7

Подобрали для Вас услуги

Вы можете использовать домашнюю работу для примера, а также можете ссылаться на неё в своей работе. Авторство принадлежит автору работы, поэтому запрещено копировать текст из этой работы для любой публикации, в том числе в свою домашнюю работу в учебном заведении, без правильно оформленной ссылки. Читайте как правильно публиковать ссылки в своей работе.
Свежие статьи
Популярно сейчас
Как Вы думаете, сколько людей до Вас делали точно такое же задание? 99% студентов выполняют точно такие же задания, как и их предшественники год назад. Найдите нужный учебный материал на СтудИзбе!
Ответы на популярные вопросы
Да! Наши авторы собирают и выкладывают те работы, которые сдаются в Вашем учебном заведении ежегодно и уже проверены преподавателями.
Да! У нас любой человек может выложить любую учебную работу и зарабатывать на её продажах! Но каждый учебный материал публикуется только после тщательной проверки администрацией.
Вернём деньги! А если быть более точными, то автору даётся немного времени на исправление, а если не исправит или выйдет время, то вернём деньги в полном объёме!
Да! На равне с готовыми студенческими работами у нас продаются услуги. Цены на услуги видны сразу, то есть Вам нужно только указать параметры и сразу можно оплачивать.
Отзывы студентов
Ставлю 10/10
Все нравится, очень удобный сайт, помогает в учебе. Кроме этого, можно заработать самому, выставляя готовые учебные материалы на продажу здесь. Рейтинги и отзывы на преподавателей очень помогают сориентироваться в начале нового семестра. Спасибо за такую функцию. Ставлю максимальную оценку.
Лучшая платформа для успешной сдачи сессии
Познакомился со СтудИзбой благодаря своему другу, очень нравится интерфейс, количество доступных файлов, цена, в общем, все прекрасно. Даже сам продаю какие-то свои работы.
Студизба ван лав ❤
Очень офигенный сайт для студентов. Много полезных учебных материалов. Пользуюсь студизбой с октября 2021 года. Серьёзных нареканий нет. Хотелось бы, что бы ввели подписочную модель и сделали материалы дешевле 300 рублей в рамках подписки бесплатными.
Отличный сайт
Лично меня всё устраивает - и покупка, и продажа; и цены, и возможность предпросмотра куска файла, и обилие бесплатных файлов (в подборках по авторам, читай, ВУЗам и факультетам). Есть определённые баги, но всё решаемо, да и администраторы реагируют в течение суток.
Маленький отзыв о большом помощнике!
Студизба спасает в те моменты, когда сроки горят, а работ накопилось достаточно. Довольно удобный сайт с простой навигацией и огромным количеством материалов.
Студ. Изба как крупнейший сборник работ для студентов
Тут дофига бывает всего полезного. Печально, что бывают предметы по которым даже одного бесплатного решения нет, но это скорее вопрос к студентам. В остальном всё здорово.
Спасательный островок
Если уже не успеваешь разобраться или застрял на каком-то задание поможет тебе быстро и недорого решить твою проблему.
Всё и так отлично
Всё очень удобно. Особенно круто, что есть система бонусов и можно выводить остатки денег. Очень много качественных бесплатных файлов.
Отзыв о системе "Студизба"
Отличная платформа для распространения работ, востребованных студентами. Хорошо налаженная и качественная работа сайта, огромная база заданий и аудитория.
Отличный помощник
Отличный сайт с кучей полезных файлов, позволяющий найти много методичек / учебников / отзывов о вузах и преподователях.
Отлично помогает студентам в любой момент для решения трудных и незамедлительных задач
Хотелось бы больше конкретной информации о преподавателях. А так в принципе хороший сайт, всегда им пользуюсь и ни разу не было желания прекратить. Хороший сайт для помощи студентам, удобный и приятный интерфейс. Из недостатков можно выделить только отсутствия небольшого количества файлов.
Спасибо за шикарный сайт
Великолепный сайт на котором студент за не большие деньги может найти помощь с дз, проектами курсовыми, лабораторными, а также узнать отзывы на преподавателей и бесплатно скачать пособия.
Популярные преподаватели
Добавляйте материалы
и зарабатывайте!
Продажи идут автоматически
6982
Авторов
на СтудИзбе
262
Средний доход
с одного платного файла
Обучение Подробнее
{user_main_secret_data}