Лабораторная работа 1: Основные схемы выпрямителей вариант 82
Описание
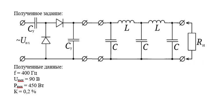
Лабораторная работа №1 по электронике “Основные схемы выпрямителей”
Вариант №82
Схема сделана в программе Proteus 8. ОБЯЗАТЕЛЬНО поменяйте название файла. Пример: "ИУ5-41Б Иванов Лаб.1"
Работа сдана на 10 баллов
2024 года
Характеристики лабораторной работы
Предмет
Учебное заведение
Семестр
Номер задания
Вариант
Просмотров
16
Размер
565,85 Kb
Преподаватели
Список файлов
82.docx
Комментарии
Нет комментариев
Стань первым, кто что-нибудь напишет!
МГТУ им. Н.Э.Баумана
girkinaleksandr799
















