Лабораторная работа 2: Исследование биполярного транзистора
Описание
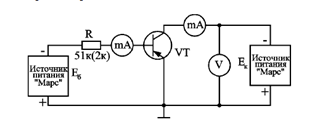
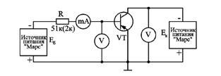
Во время выполнения данной лабораторной работы мы использовали две схемы, показанные на рисунках 1 и 2. Одна схема необходима для исследования выходных вольтамперных характеристик (ВАХ) биполярного транзистора (БТ), другая – для исследования входных ВАХ БТ.

Рисунок 1 - Схема для исследования выходных ВАХ биполярного транзистора

Рисунок 2 – Схема для исследования входных ВАХ биполярного транзистора
Модель биполярного транзистора на установке – КТ203Б (транзистор кремниевый эпитаксиально-планарный p-n-p усилительный маломощный; предназначен для применения в усилителях и импульсных устройствах). Его параметры:
Коэффициент передачи тока в режиме малого сигнала – 30 – 150.
Обратный ток коллектора при Uкб=5 В – не более 1 мкА.
Предельная частота коэффициента передачи тока в схеме ОБ при Uкб = 5 В – не менее 5 МГц.
Емкость коллекторного перехода при Uкб=5 В – не более 10 пФ.
Предельное постоянное напряжение коллектор-эмиттер – 30 В.
Предельное постоянное напряжение эмиттер-база – 15 В.
Предельный постоянный ток коллектора – 10 мА.
Предельная постоянная рассеиваемая мощность – 150 мВт.
МГТУ им. Н.Э.Баумана
meoww















