Для студентов по предмету ЭлектроникаОпределить действующее U2 и амплитудное U2m значения напряжения на вторичной обмотке трансформатораОпределить действующее U2 и амплитудное U2m значения напряжения на вторичной обмотке трансформатора
5,0053198
2024-09-012024-09-01СтудИзба
ДЗ: Определить действующее U2 и амплитудное U2m значения напряжения на вторичной обмотке трансформатора
Описание
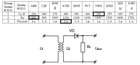
Определить действующее U2 и амплитудное U2m значения напряжения на вторичной обмотке трансформатора, его коэффициент трансформации K, постоянную составляющую выпрямленного тока I0 для выпрямителя. Напряжение питающей сети U1 = 127 В. Схема выпрямления представлена на рисунке 4.1, выпрямленное напряжение Ud=340 В, сопротивление нагрузки RН=800 Ом.
![]()

Характеристики домашнего задания
Предмет
Просмотров
2
Качество
Идеальное компьютерное
Размер
640,26 Kb
Список файлов
РГЗ_пример(с моделированием)-9-11.pdf

Если нужен другой вариант работы или отдельная задача из любой работы, пишите в комментарии