Для студентов МГТУ им. Н.Э.Баумана по предмету ЭлектроникаОценка поведения многокаскадного усилителя, охваченного обратными связямиОценка поведения многокаскадного усилителя, охваченного обратными связями
5,0051
2023-02-092023-02-09СтудИзба
Курсовая работа: Оценка поведения многокаскадного усилителя, охваченного обратными связями вариант 32
Описание
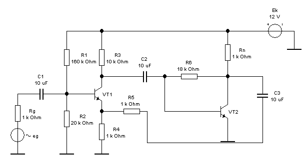
Задание: найти в схеме все обратные связи и дать им определение. Что произойдет с коэффициентами гармоник Кгос и передаточной проводимости Кsос, если разомкнуть цепь общей ОС? 
Характеристики курсовой работы
Предмет
Учебное заведение
Вариант
Теги
Просмотров
31
Размер
193,77 Kb
Список файлов
ДЗ2 ИУ6-41Б.docx
Комментарии
Нет комментариев
Стань первым, кто что-нибудь напишет!
МГТУ им. Н.Э.Баумана



















