Ответы к экзамену: Электрические машины
-38%
Описание
🙋♂️🙋♂️🙋♂️ Коллекция ответов Электрические машины (км-2 асинхронные машины) ВУЗ ПРОМЕТЕЙ
👑👑👑 Огромная база ответов по множеству предметов.
♥️ В том числе есть услуга сдачи отдельных предметов и сессий в целом!!!!!!!!!!!!
♥️ Благодарю за покупку!
♥️ ОБРАЩАйТЕСЬ (Для быстрого поиска вопроса используйте Ctrl+F).
👑👑👑 Огромная база ответов по множеству предметов. ♥️ В том числе есть услуга сдачи отдельных предметов и сессий в целом!!!!!!!!!!!!
♥️ Благодарю за покупку!
♥️ ОБРАЩАйТЕСЬ (Для быстрого поиска вопроса используйте Ctrl+F).
Список вопросов
В каких пределах меняется скольжение АМ в режиме генератора?
На сколько процентов изменится максимальный вращающий момент трехфазного АД при уменьшении напряжения питания на 10%?
Как изменится критическое скольжение АД при увеличении напряжения питания?
Чему равна частота вращения поля 4-х полюсного АД при частоте питания 50 Гц?
Какой из указанных моментов соответствует номинальному моменту двигателя?
![]()

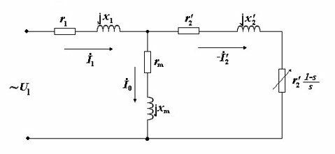
В каком сопротивлении Т-образной схемы замещения потери соответствуют электрическим потерям в обмотке ротора?
В каком сопротивлении Т-образной схемы замещения потери мощности числено равны электрическим потерям в обмотке ротора?
![]()

Определить частоту вращения ротора трехфазного четырехполюсного АД с фазным ротором, электромагнитная мощность которого равна 54 кВт, при токе в фазе обмотки ротора 240 А и активном сопротивлении этой фазы 0,025 Ом.
С какой целью понижается напряжение, подводимое к обмотке статора, при пуске АД?
Определить электромагнитную мощность, развиваемую трехфазным шестиполюсным АД с фазным ротором, вращающимся с частотой 964 об/мин, если ток обмотки ротора 3 А, активное сопротивление фазы ротора 4 Ом, схема соединения обмоток - “звезда”.
Какая из перечисленных величин остается неизменной при увеличении полезной мощности на валу АД?
Как изменятся перечисленные величины при увеличении нагрузки АД? (укажите правильный ответ)
Как изменятся перечисленные величины при увеличении нагрузки АД? (укажите правильный ответ)
Характеристики ответов (шпаргалок) к экзамену
Комментарии
Нет комментариев
Стань первым, кто что-нибудь напишет!
ИДДО НИУ «МЭИ»
akop















