Для студентов ИДДО НИУ «МЭИ» по предмету ДругиеНайти ток в приемнике, подключенном к источнику, если сопротивление приемника Rn = (5 N/M) Ом. Найти мощность источника и приемника, а также КПД источНайти ток в приемнике, подключенном к источнику, если сопротивление приемника Rn = (5 N/M) Ом. Найти мощность источника и приемника, а также КПД источ
4,955182
2025-04-132025-04-13СтудИзба
Найти ток в приемнике, подключенном к источнику, если сопротивление приемника Rn = (5 N/M) Ом. Найти мощность источника и приемника, а также КПД источника.
Найти ток в приемнике, подключенном к источнику, если сопротивление приемника Rn = (5 N/M) Ом. Найти мощность источника и приемника, а также КПД источника.
Описание
Сборник решённых задач, сдан на оценку 5.
Задания:
Задача 2
Определить параметры последовательной и параллельной схем замещения источника по известному участку внешней характеристики.
Найти ток в приемнике, подключенном к источнику, если сопротивление приемника Rn = (5 N/M) Ом. Найти мощность источника и приемника, а также КПД источника.
Задача 15
Рассчитать многопредельный шунт к измерительному механизму на предел измерения токов (М) А. Сопротивление цепи измерителя Rи = (0,1N) Ом. Наибольшее падение напряжения на шунте равно 75 мВ.
Задача 17
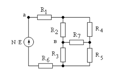
В заданной схеме найти токи в ветвях и напряжение Uaв, если Е = 10 В. Значения всех сопротивлений (в омах) указаны в таблице 2.
Задача 18
Используя метод эквивалентного активного двухполюсника, определить параметры его последовательной схемы замещения (Еэк и Rэк) относительно зажимов а и в. Значения сопротивлений (в омах) указаны в таблице 3.
Показать/скрыть дополнительное описание
Задания:
Задача 2
Определить параметры последовательной и параллельной схем замещения источника по известному участку внешней характеристики.
Найти ток в приемнике, подключенном к источнику, если сопротивление приемника Rn = (5 N/M) Ом. Найти мощность источника и приемника, а также КПД источника.
Задача 15 Рассчитать многопредельный шунт к измерительному механизму на предел измерения токов (М) А. Сопротивление цепи измерителя Rи = (0,1N) Ом. Наибольшее падение напряжения на шунте равно 75 мВ.
Задача 17
В заданной схеме найти токи в ветвях и напряжение Uaв, если Е = 10 В. Значения всех сопротивлений (в омах) указаны в таблице 2.
Задача 18 Используя метод эквивалентного активного двухполюсника, определить параметры его последовательной схемы замещения (Еэк и Rэк) относительно зажимов а и в. Значения сопротивлений (в омах) указаны в таблице 3.
Показать/скрыть дополнительное описаниеНайти ток в приемнике, подключенном к источнику, если сопротивление приемника Rn = (5 N/M) Ом. Найти мощность источника и приемника, а также КПД источника..
Характеристики решённой задачи
Предмет
Учебное заведение
Программы
Просмотров
1
Качество
Идеальное компьютерное
Размер
999,49 Kb
Список файлов
Задачи.pdf
Алёна Руденко
ИДДО НИУ «МЭИ»
alena.rudenko.88


















