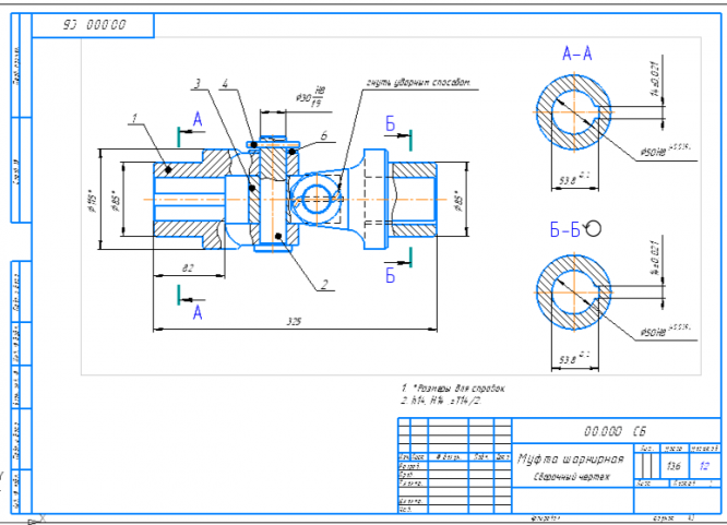
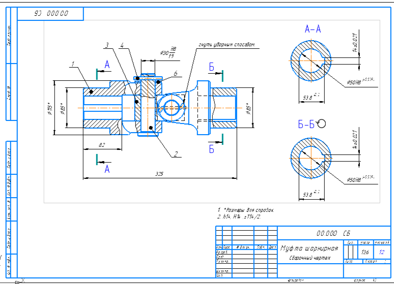
Для студентов МГТУ им. Н.Э.Баумана по предмету Детали машин (ДМ)Муфта шарнирнаяМуфта шарнирная
4,9951076
2023-09-092023-09-09СтудИзба
Другое: Муфта шарнирная
Описание
Характеристики учебной работы
Тип
Предмет
Учебное заведение
Семестр
Программы
Теги
Просмотров
5
Размер
405,59 Kb
Список файлов
3D модели
00.000 СБ - Муфта шарнирная.a3d
00.001 - Вилка.m3d
00.002 - Ось.m3d
00.003 - Шарнир.m3d
00.004 - Штифт.m3d
Чертежи
v 5
00.000 Муфта кулачковая.cdw
00.001 Вилка.cdw
00.002 Ось.cdw
00.003 Шарнир.cdw
Муфта шарнирная _ 00.000.spw
00.000 Муфта кулачковая.cdw
00.001 Вилка.cdw
00.002 Ось.cdw
00.003 Шарнир.cdw
Муфта шарнирная _ 00.000.spw

Спасибо за покупку! Я буду очень рад, если поставишь справедливую оценку купленному файлу