Для студентов МГТУ им. Н.Э.Баумана по предмету Детали машин (ДМ)Расчет соединенийРасчет соединений
5,0056
2021-03-122021-03-12СтудИзба
ДЗ С-2: Расчет соединений вариант 4
Описание
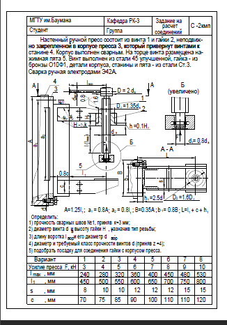
ДЗ сдано, все верно, в файле маткад и пдф. ![]()

Характеристики домашнего задания
Предмет
Учебное заведение
Семестр
Номер задания
Вариант
Теги
Просмотров
99
Размер
3,32 Mb
Список файлов
2-4 Гаджиев.pdf
Винт-гайка скольжения.pdf
Винт-гайка скольжения.xmcd
Посадка втулки с муфтой.pdf
Посадка втулки с муфтой.xmcd
РАСЧЕТ РЕЗЬБОВЫХ СОЕДИНЕНИЙ.pdf
РАСЧЕТ РЕЗЬБОВЫХ СОЕДИНЕНИЙ.xmcd
Расчет сварных нахлесточных оединений.pdf
Расчет сварных нахлесточных оединений.xmcd
Комментарии
Нет комментариев
Стань первым, кто что-нибудь напишет!
МГТУ им. Н.Э.Баумана
banks_021

















