Курсовая работа ДМ: Проектирование привода скребкового транспортера с коническим редуктором. вариант 17
Описание
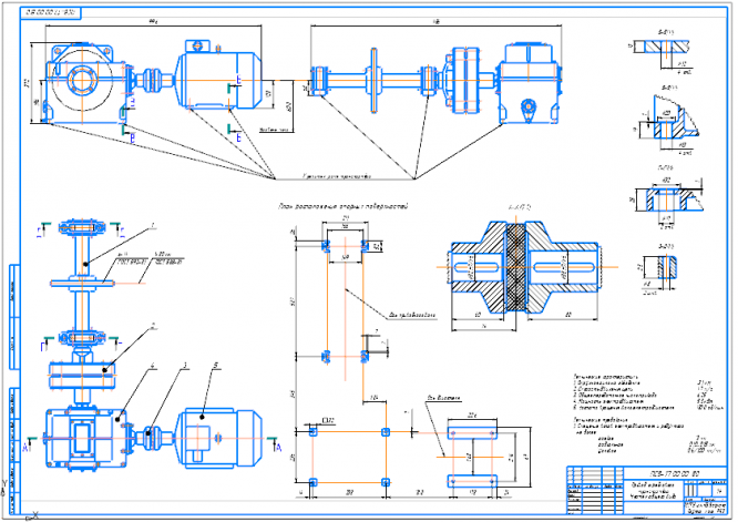
Проектирование привода скребкового транспортера с коническим редуктором (Выполнено в компасе 3D)
Реферат
Характеристики курсовой работы
Предмет
Учебное заведение
Семестр
Номер задания
Вариант
Программы
Просмотров
56
Качество
Идеальное компьютерное
Размер
4,01 Mb
Преподаватели
Список файлов
Курсач ДМ
Лист №1 (Редуктор СБ)
Лист 1(Компас).cdw
Лист 1.pdf
Лист №2 (Редуктор СБ)
Лист 2(Компас).cdw
Лист 2.pdf
Лист №3 (Колесо _ Вал _ Муфта)
Вал тихоходный(Компас).cdw
Вал тихоходный.pdf
Колесо зубчатое(Компас).cdw
Колесо зубчатое.pdf
Муфта предохранительная(Компас).cdw
Муфта предохранительная.pdf
Собранный Лист 3.pdf
Лист №4 (Вал приводоной)
Лист 4(Компас).cdw
Лист 4.pdf
Лист №5 (Привод скребкового транспортера ВО)
Лист 5(Компас).cdw
Лист 5.pdf
~$РПЗ.docx
РПЗ.docx
Спецификация привода(Лист 5) .doc
Спецификация редуктора(Лист 1 и 2).doc
Комментарии
Нет комментариев
Стань первым, кто что-нибудь напишет!
МГТУ им. Н.Э.Баумана


















