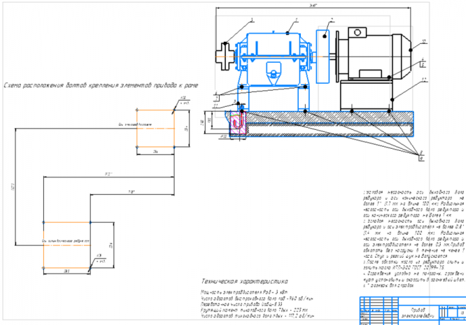
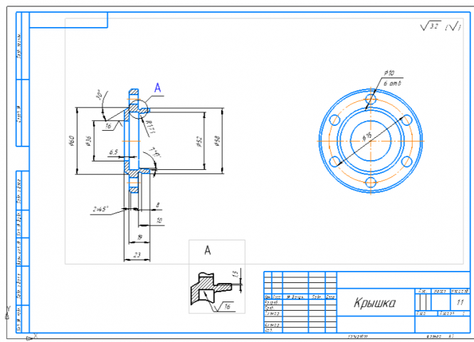
Для студентов по предмету Детали машин (ДМ)Привод ленточного транспортера цилиндрического трехосного редуктора с ременной передачейПривод ленточного транспортера цилиндрического трехосного редуктора с ременной передачей
4,9851100
2023-09-072023-09-07СтудИзба
Курсовая работа: Привод ленточного транспортера цилиндрического трехосного редуктора с ременной передачей
Описание
Характеристики курсовой работы
Предмет
Программы
Просмотров
1
Качество
Идеальное компьютерное
Размер
724,75 Kb
Список файлов
А1 Редуктор.cdw
А1 привод.cdw
А3 Вал ведущий.cdw
А3 Вал промежуточный.cdw
А3 Колесо.cdw
А3 Крышка.cdw
ДМ 4_150_9 от 15.05.2009.doc
Спецификация СБ.spw
Спецификация.spw

Спасибо за покупку! Я буду очень рад, если поставишь справедливую оценку купленному файлу