Для студентов по предмету Детали машин (ДМ)Привод цепного конвейера двухступенчатого соосного цилиндрического редуктора с вертикальным расположением валаПривод цепного конвейера двухступенчатого соосного цилиндрического редуктора с вертикальным расположением вала
4,9951099
2023-09-072023-09-07СтудИзба
Курсовая работа: Привод цепного конвейера двухступенчатого соосного цилиндрического редуктора с вертикальным расположением вала
Описание
Характеристики курсовой работы
Предмет
Программы
Просмотров
2
Качество
Идеальное компьютерное
Размер
2,43 Mb
Список файлов
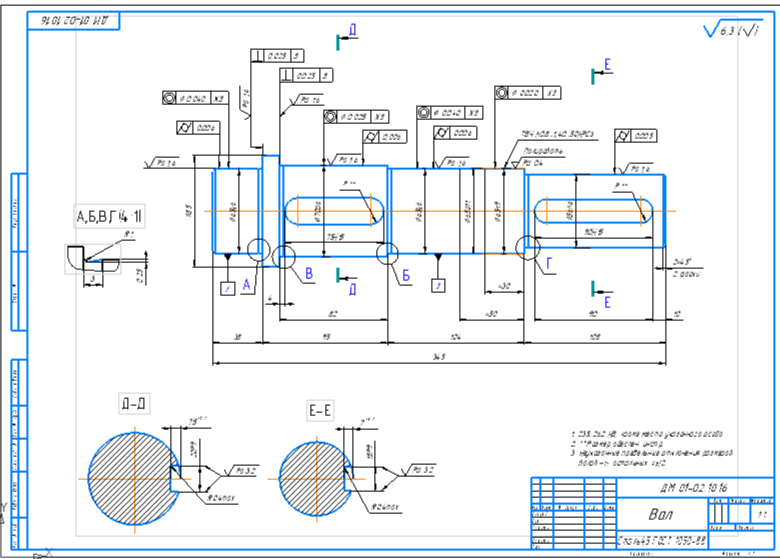
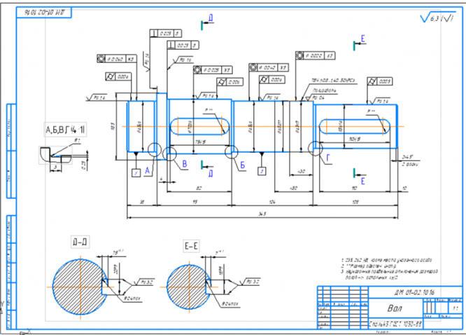
Вал.cdw
Вал.cdw.bak
Вид сбоку.cdw
Вид сбоку.cdw.bak
Главный вид.cdw
Главный вид.cdw.bak
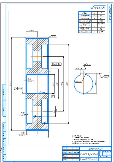
Колесо.cdw
Колесо.cdw.bak
Пояснительная записка.doc
Спецификация.spw
Спецификация.spw.bak

Спасибо за покупку! Я буду очень рад, если поставишь справедливую оценку купленному файлу