Для студентов СПбПУ Петра Великого по предмету Детали машин (ДМ)Привод силовойПривод силовой
5,0053116
2022-11-142022-11-14СтудИзба
Курсовая работа: Привод силовой
Описание
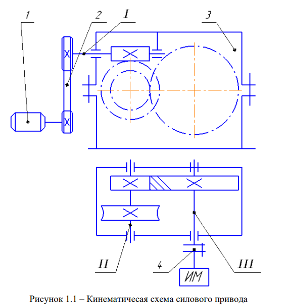
В курсовом проекте в соответствии с техническим заданием разработан общий вид привода транспортёра, который включает в себя асинхронный электродвигатель АИР80В4, клиноременную передачу, редуктор, раму и муфту.
1. Энергокинематический расчет узла привода ....................................................... 5
2. Проектирование механических передач ............................................................. 13
2.1 Обоснование выбора параметров червячной и зубчатой передач ....... 13
2.2 Методика расчета 2-х ступенчатого червячно-цилиндрического
редуктора.......................................................................................................... 13
2.3 Методика расчета клиноременной передачи ......................................... 14
2.4 Проектный расчет зубчатых передач...................................................... 15
2.5 Проектный расчет клиноременной передачи......................................... 20
2.6 Анализ результатов расчета и выбор наиболее оптимального
варианта............................................................................................................ 21
3. Проектный расчет валов....................................................................................... 23
4. Проверочный расчет подшипников качения...................................................... 25
4.1 Расчет радиальных нагрузок на подшипники качения ......................... 25
4.2 Результаты расчета подшипников качения ............................................ 37
5 Проверочный расчет промежуточного вала........................................................ 41
6 Выбор и проверочный расчет шпоночных соединений..................................... 47
7 Выбор и проверочный расчет муфты................................................................... 49
8 Тепловой расчет редуктора ................................................................................... 52
9 Выбор системы смазки и смазочных материалов............................................... 54
1. Энергокинематический расчет узла привода ....................................................... 5
2. Проектирование механических передач ............................................................. 13
2.1 Обоснование выбора параметров червячной и зубчатой передач ....... 13
2.2 Методика расчета 2-х ступенчатого червячно-цилиндрического
редуктора.......................................................................................................... 13
2.3 Методика расчета клиноременной передачи ......................................... 14
2.4 Проектный расчет зубчатых передач...................................................... 15
2.5 Проектный расчет клиноременной передачи......................................... 20
2.6 Анализ результатов расчета и выбор наиболее оптимального
варианта............................................................................................................ 21
3. Проектный расчет валов....................................................................................... 23
4. Проверочный расчет подшипников качения...................................................... 25
4.1 Расчет радиальных нагрузок на подшипники качения ......................... 25
4.2 Результаты расчета подшипников качения ............................................ 37
5 Проверочный расчет промежуточного вала........................................................ 41
6 Выбор и проверочный расчет шпоночных соединений..................................... 47
7 Выбор и проверочный расчет муфты................................................................... 49
8 Тепловой расчет редуктора ................................................................................... 52
9 Выбор системы смазки и смазочных материалов............................................... 54

Характеристики курсовой работы
Предмет
Учебное заведение
Просмотров
3
Размер
3,29 Mb
Список файлов
ДМ_КР_КозловДА.pdf

Если нужен другой вариант работы или отдельная задача из любой работы, пишите в комментарии