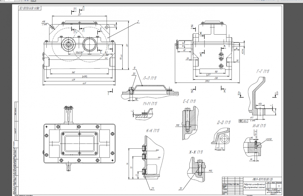
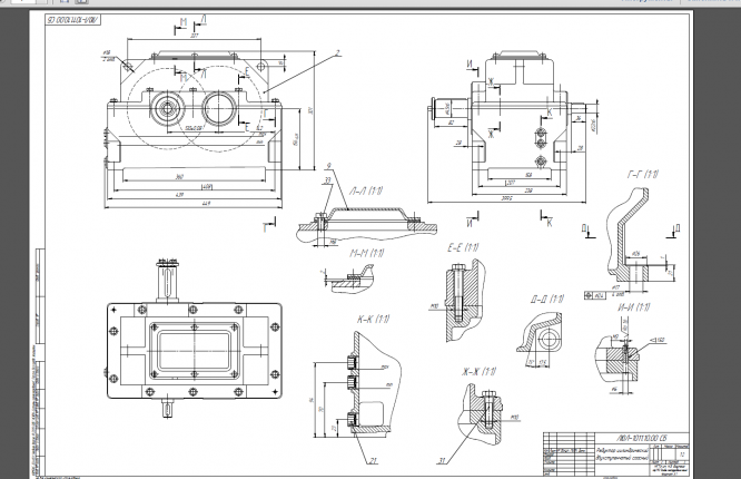
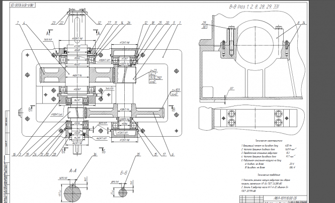
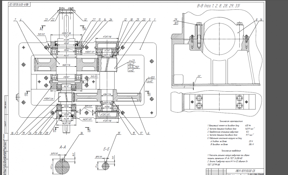
Для студентов МГТУ им. Н.Э.Баумана по предмету Детали машин (ДМ)Привод ленточного транспортёра с двухступенчатым цилиндрическим соосным однопоточным редуктором с косозубыми передачами внешнего зацепленияПривод ленточного транспортёра с двухступенчатым цилиндрическим соосным однопоточным редуктором с косозубыми передачами внешнего зацепления
3,8359
2022-02-162025-05-13СтудИзба
Привод ленточного транспортёра с двухступенчатым цилиндрическим соосным однопоточным редуктором с косозубыми передачами внешнего зацепления
Описание
В данном архиве есть все: Чертежи в Компасе, ПДФ, Спецификация, Литература, И ДАЖЕ РАСЧЕТНО-ПОЯСНИТЕЛЬНАЯ ЗАПИСКА. Для наглядности я оставил 2 листа, 2 листа удалил из превью, чтобы люди не просто смотрели))))
UPD: Добавлен 5 лист в компасе
![]()
UPD: Добавлен 5 лист в компасе
Характеристики курсовой работы
Предмет
Учебное заведение
Семестр
Номер задания
Вариант
Просмотров
218
Качество
Идеальное компьютерное
Размер
3,52 Mb
Список файлов
1 Лист ДМ.cdw
1 Лист ДМ.cdw.bak
1 Лист ДМ.pdf
2 Лист ДМ.cdw
2 Лист ДМ.cdw.bak
2 Лист ДМ.pdf
3 Лист ДМ.pdf
3 Лист Дм.cdw
3 Лист Дм.cdw.bak
4 Лист ДМ.pdf
4 Лист Деталировка ДМ.frw
4 Лист Деталировка ДМ.frw.bak
5 Лист ДМ.pdf
РПЗ ДМ.pdf
Спецификация Соосный редуктор.cdw
Спецификация Соосный редуктор.cdw.bak
5_list_obschiy_vid_privoda.cdw
Вопросы
Вопрос
Нет компас файла 5 листа...
Добавил, извини...
МГТУ им. Н.Э.Баумана


















