Для студентов МГТУ им. Н.Э.Баумана по предмету Детали машин (ДМ)Привод цепного транспортера с двухступенчатым цилиндрическим горизонтальным соосным однопоточным редуктором с косозубыми передачами внешнего зацеплениПривод цепного транспортера с двухступенчатым цилиндрическим горизонтальным соосным однопоточным редуктором с косозубыми передачами внешнего зацеплени
5,0055
2022-01-242022-01-24СтудИзба
Привод цепного транспортера с двухступенчатым цилиндрическим горизонтальным соосным однопоточным редуктором с косозубыми передачами внешнего зацепления
Описание
С РПЗ!
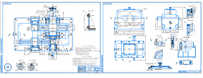
привод цепного транспортера с двухступенчатым цилиндрическим горизонтальным соосным однопоточным редуктором с косозубыми передачами внешнего зацепления
Все листы сделаны в компасе
привод цепного транспортера с двухступенчатым цилиндрическим горизонтальным соосным однопоточным редуктором с косозубыми передачами внешнего зацепления
Все листы сделаны в компасе
Характеристики курсовой работы
Предмет
Учебное заведение
Семестр
Номер задания
Вариант
Программы
Просмотров
251
Качество
Идеальное компьютерное
Размер
1,28 Mb
Список файлов
Chertezh_obschego_vida.cdw
Detalirovka_kolesa.cdw
Detalirovka_vala.cdw
Mufta_detalirovka.cdw
Privodnoy_val.cdw
RPZ_MAL555.docx
Sborochny_chertezh_reduktora.cdw
proekt_MAL-555.pdf
Комментарии
Нет комментариев
Стань первым, кто что-нибудь напишет!
МГТУ им. Н.Э.Баумана


















