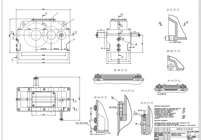
Для студентов МГТУ им. Н.Э.Баумана по предмету Детали машин (ДМ)Привод цепного транспортера с двухступенчатым цилиндрическим редуктором, выполненным по развернутой схеме (обе ступени косозубые)Привод цепного транспортера с двухступенчатым цилиндрическим редуктором, выполненным по развернутой схеме (обе ступени косозубые)
4,935239
2022-01-242022-01-24СтудИзба
Привод цепного транспортера с двухступенчатым цилиндрическим редуктором, выполненным по развернутой схеме (обе ступени косозубые)
Описание
Привод цепного транспортера с двухступенчатым цилиндрическим редуктором, выполненным по развернутой схеме (обе ступени косозубые)
Полный курсач в пдф
Полный курсач в пдф
Характеристики курсовой работы
Предмет
Учебное заведение
Семестр
Просмотров
136
Размер
1,44 Mb
Список файлов
Mufta-Val-Koleso-3list.pdf
Obschiy_vid-5_list.pdf
Privodnoy_val-4_list.pdf
Reduktor-1list.pdf
Reduktor-2_list.pdf
Spetsifikatsia-5list.pdf
Spetsifikatsia-mufta-1.pdf
Spetsifikatsia-mufta-2.pdf
Spetsifikatsia-reduktor-1.pdf
Spetsifikatsia-reduktor-2.pdf
Spetsifikatsia-reduktor-3.pdf
РПЗ.docx
Комментарии
Нет комментариев
Стань первым, кто что-нибудь напишет!
МГТУ им. Н.Э.Баумана

















