Для студентов МГТУ им. Н.Э.Баумана по предмету Детали машин (ДМ)БДС1413-aБДС1413-a
2021-07-152021-07-15СтудИзба
Курсовая работа БДС: БДС1413-a вариант 1413
Описание
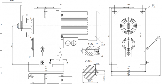
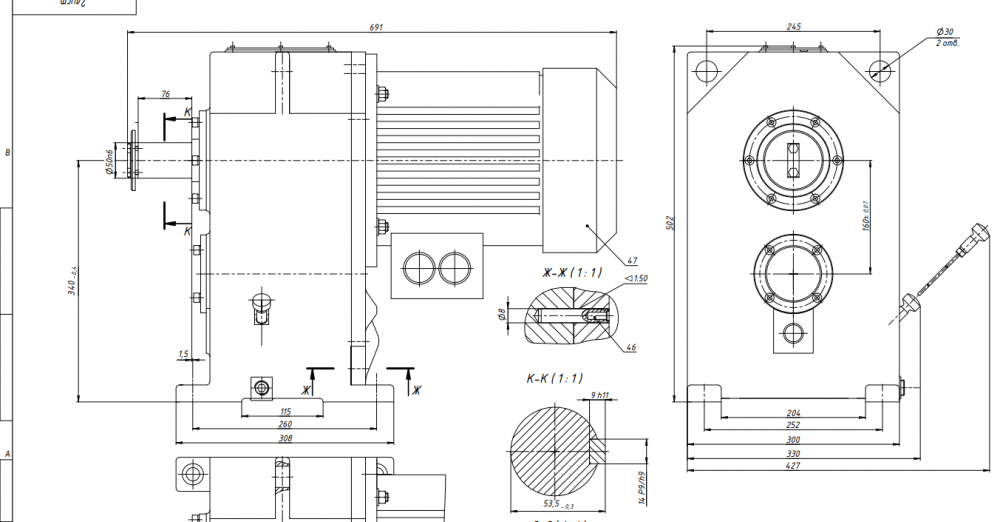
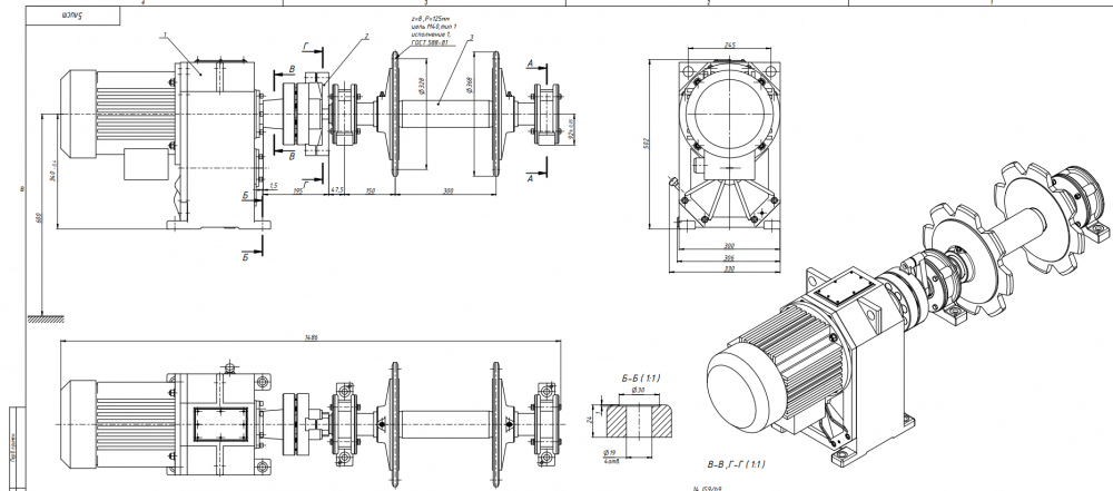
Курсовой проект БДС 1413 "Привод цепного транспортера с двухступенчатым цилиндрическим мотор-редуктором" подписан Блиновым Д.С. и защищен на ОТЛ Палочкину С.В. 2021.
Наличие всех исходных файлов и моделей позволяет переделать курсовой проект под другое ТЗ привода цепного транспортера с двухступенчатым цилиндрическим мотор-редуктором.
В архив входят PDF файлы:
-Все 5 листов
-2 Спецификации
-РПЗ
*Все размеры совпадают между файлами.
Наличие всех исходных файлов и моделей позволяет переделать курсовой проект под другое ТЗ привода цепного транспортера с двухступенчатым цилиндрическим мотор-редуктором.
В архив входят PDF файлы:
-Все 5 листов
-2 Спецификации
-РПЗ
*Все размеры совпадают между файлами.
Характеристики курсовой работы
Предмет
Учебное заведение
Семестр
Номер задания
Вариант
Просмотров
267
Качество
Идеальное компьютерное
Размер
2,11 Mb
Список файлов
Комментарии
Нет комментариев
Стань первым, кто что-нибудь напишет!
МГТУ им. Н.Э.Баумана



















