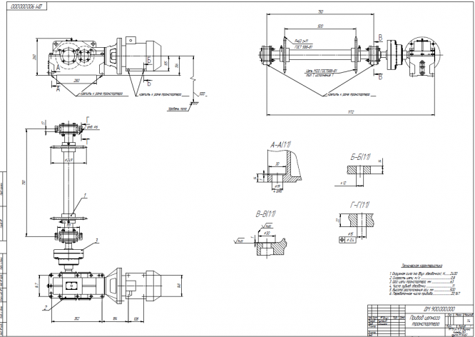
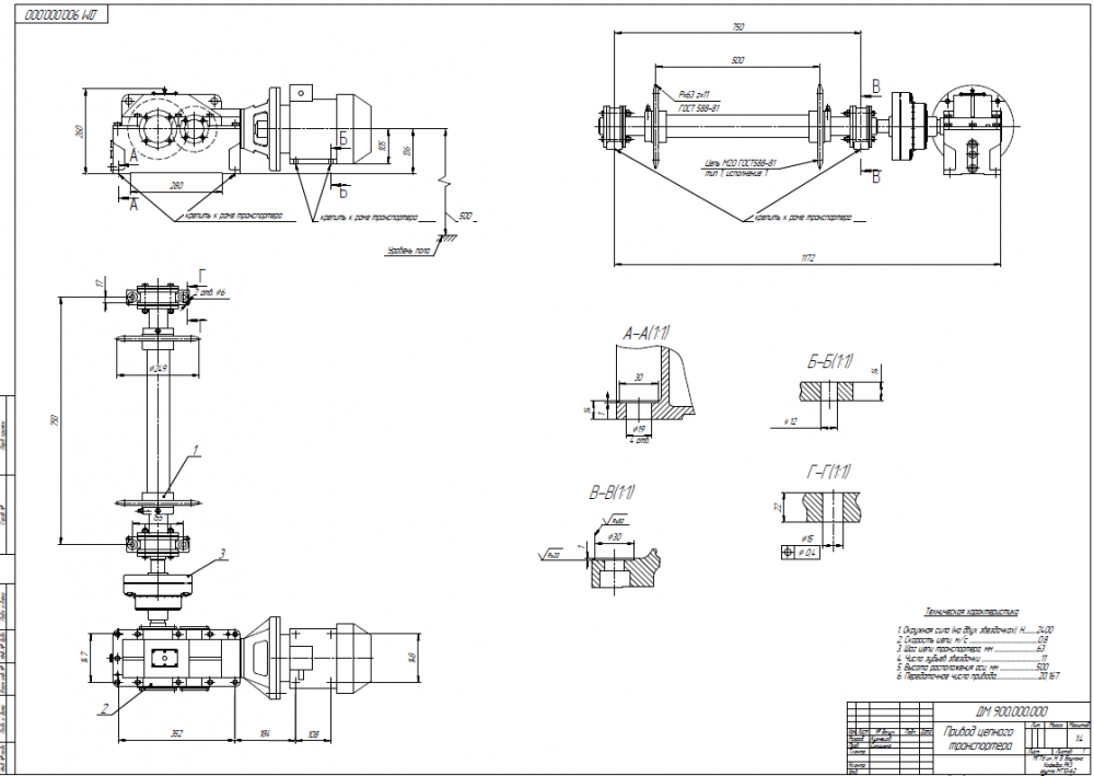
Для студентов МГТУ им. Н.Э.Баумана по предмету Детали машин (ДМ)Привод цепного транспортера ДМ 900.000.000Привод цепного транспортера ДМ 900.000.000
4,8858700
2021-05-292021-05-29СтудИзба
Курсовая работа ДМ: Привод цепного транспортера ДМ 900.000.000 вариант 900
Описание
Характеристики курсовой работы
Предмет
Учебное заведение
Семестр
Номер задания
Вариант
Просмотров
22
Размер
826,14 Kb
Список файлов
Привод цепного транспортера ДМ 900.000.000 (г.м
Вал приводной.pdf
Мотор-редуктор коническо-цилиндрический.pdf
Привод цепного транспортера.pdf
Спецификация 2.pdf
Спецификация.pdf
Чертежи деталей.pdf

НОВИНКА: отчеты по практикам! Поиск - по названию предприятия в тэге. База учебных материалов МГТУ им. Н.Э. Баумана в формате pdf, оригиналы файлов отсутствуют (если иное не оговорено в описании). Вопросы задавайте ДО покупки в комментариях под файлами.