Для студентов МГТУ им. Н.Э.Баумана по предмету Детали машин (ДМ)Курсовой проект (задание №546)Курсовой проект (задание №546)
4,8858700
2021-05-292021-05-29СтудИзба
Курсовая работа ДМ: Курсовой проект (задание №546) вариант 546
Описание
Характеристики курсовой работы
Предмет
Учебное заведение
Семестр
Номер задания
Вариант
Просмотров
14
Размер
1,86 Mb
Список файлов
Курсовой проект (задание №546) (г.м
1.pdf
Ведомая звездочка.pdf
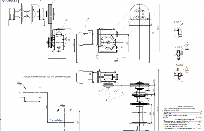
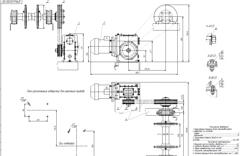
Мотор-редуктор 2.jpg
Мотор-редуктор.jpg
Привод цепного конвейера.pdf
Приводной вал со звездочками.pdf
Тихоходный вал.pdf
Червячное колесо.pdf

НОВИНКА: отчеты по практикам! Поиск - по названию предприятия в тэге. База учебных материалов МГТУ им. Н.Э. Баумана в формате pdf, оригиналы файлов отсутствуют (если иное не оговорено в описании). Вопросы задавайте ДО покупки в комментариях под файлами.