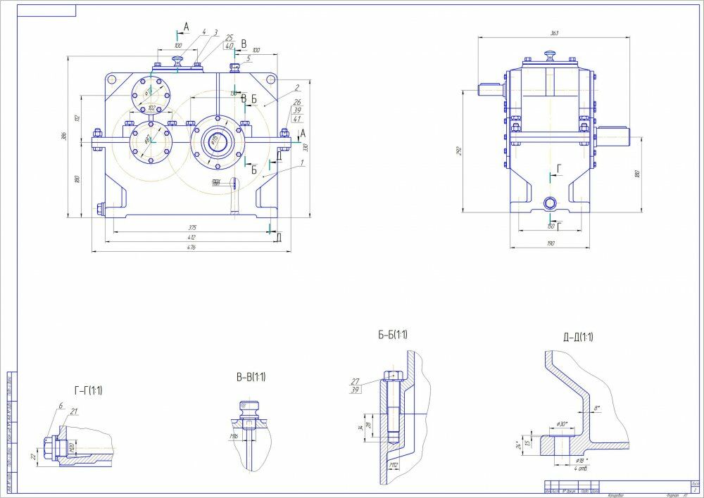
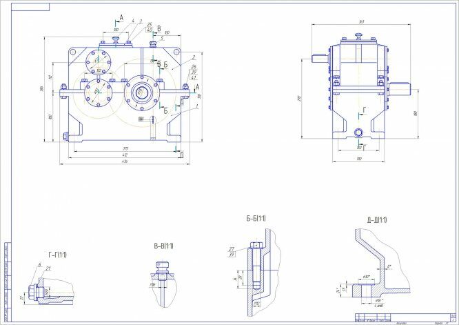
Для студентов МГТУ им. Н.Э.Баумана по предмету Детали машин (ДМ)Вертикально-горизонтальный цилиндрический редукторВертикально-горизонтальный цилиндрический редуктор
4,90547209
2021-03-102024-09-03СтудИзба
Курсовая работа: Вертикально-горизонтальный цилиндрический редуктор
-64%
Описание
Характеристики курсовой работы
Предмет
Учебное заведение
Семестр
Просмотров
474
Размер
1,02 Mb
Список файлов
вертикально-горизонтальный цилиндрический редуктор
1.jpg
2.jpg
Вал тихоходный.cdw
Редуктор.cdw
Сертификат.cdw
Шестерня.cdw

Друзья, спасибо за доверие! Если вам понравилась работа – поставьте 5⭐ и напишите отзыв. Это поможет другим студентам, а мне даст силы делать ещё больше качественных материалов для вас 🔥