Для студентов МГТУ им. Н.Э.Баумана по предмету Детали машин (ДМ)полный курсач со всеми листами сделанный на компасе. условие в описанииполный курсач со всеми листами сделанный на компасе. условие в описании
5,0052
2021-02-252021-02-25СтудИзба
Курсовая работа: полный курсач со всеми листами сделанный на компасе. условие в описании
Описание
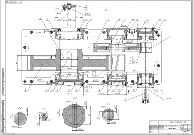
Режим нагружения 3
ресурс 12000 ч
окружная сила 4.4 кН
скорость ленты 1,3 м/с
диаметр барабана 315 мм
длина 450 мм
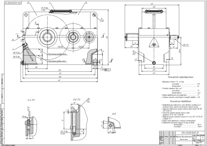
ресурс 12000 ч
окружная сила 4.4 кН
скорость ленты 1,3 м/с
диаметр барабана 315 мм
длина 450 мм



Характеристики курсовой работы
Предмет
Учебное заведение
Семестр
Просмотров
330
Качество
Идеальное компьютерное
Размер
2,66 Mb
Список файлов
1.cdw
1.pdf
2.cdw
2.pdf
3-1.cdw
3-2.cdw
3-3.cdw
4.cdw
5.cdw
RPZ.docx
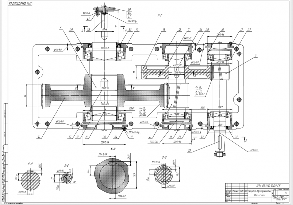
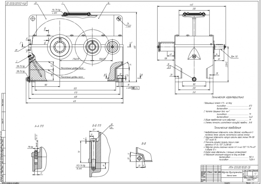
Spetsifikatsia_-_PLT.cdw
predokhr.docx