Для студентов МГТУ им. Н.Э.Баумана по предмету Детали машин (ДМ)ДМ23 РПЗ и ЛистыДМ23 РПЗ и Листы
4,855246
2021-02-132021-02-13СтудИзба
Курсовая работа ДМ: ДМ23 РПЗ и Листы вариант 23
Описание
Характеристики курсовой работы
Предмет
Учебное заведение
Семестр
Номер задания
Вариант
Просмотров
29
Размер
546,91 Kb
Список файлов
Вариант 23
~$аписка.docx
Вал.cdw
Записка.docx
Муфта.cdw
Общий вид.cdw
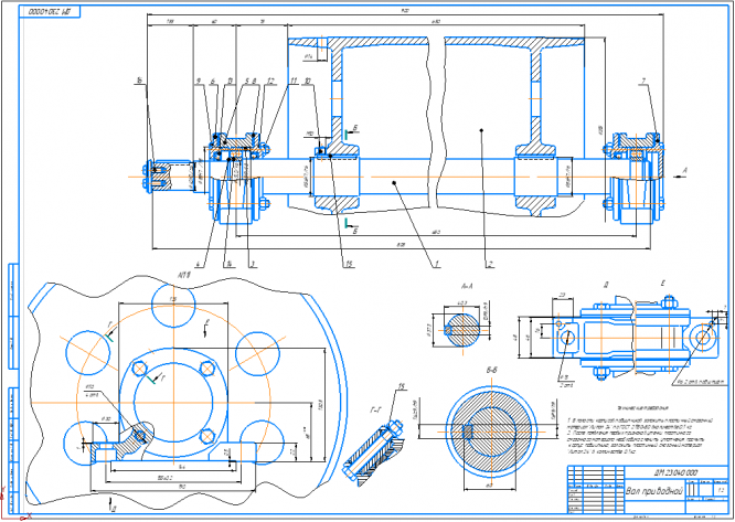
Приводной вал.cdw
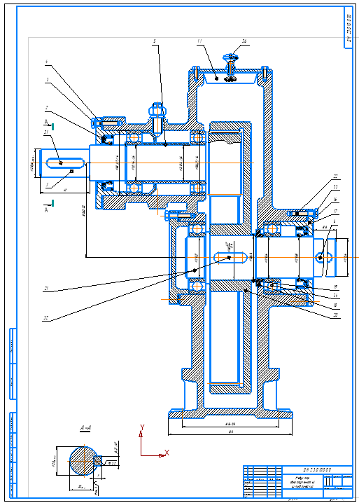
Редуктор1.cdw
Редуктор2.cdw
Комментарии
Нет комментариев
Стань первым, кто что-нибудь напишет!

МГТУ им. Н.Э.Баумана



















