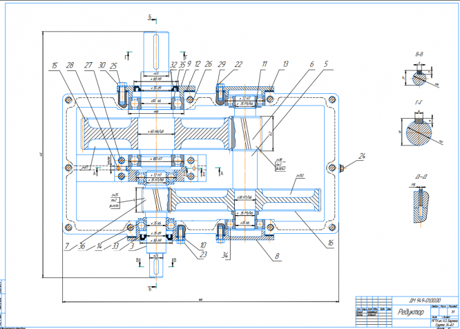
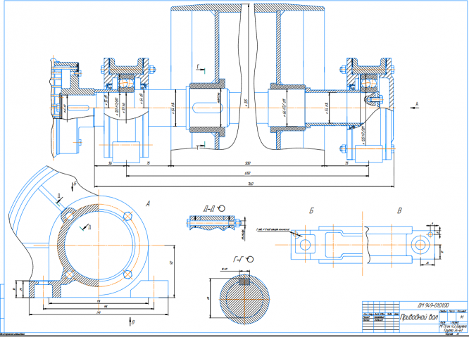
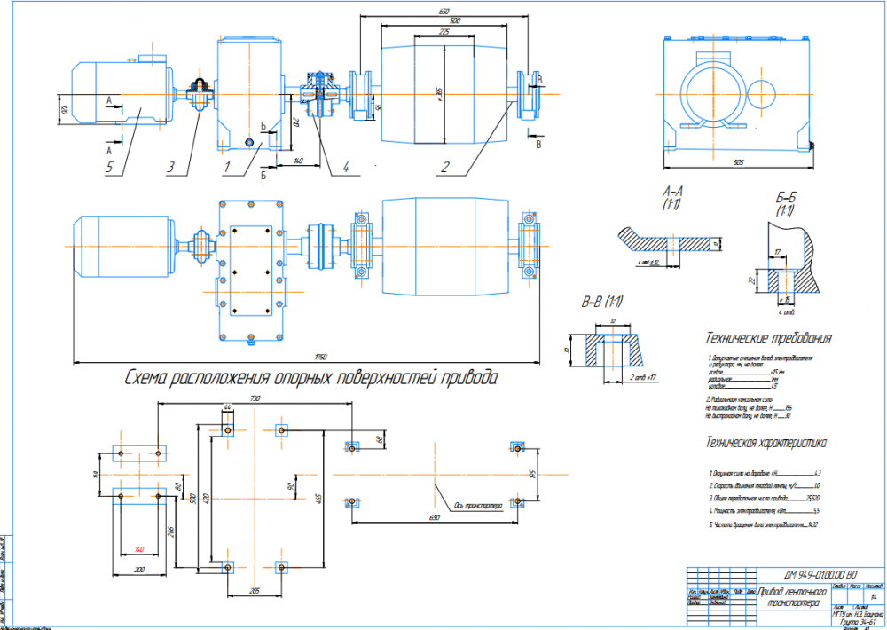
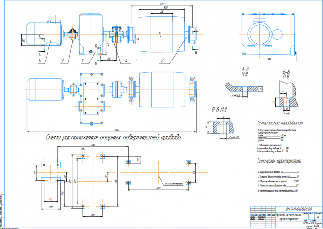
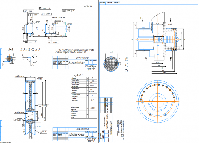
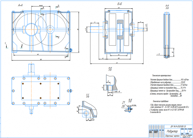
Для студентов МГТУ им. Н.Э.Баумана по предмету Детали машин (ДМ)Привод ленточного транспортера (редуктор цилиндрический двухступенчатый соосный)Привод ленточного транспортера (редуктор цилиндрический двухступенчатый соосный)
5,0054
2020-05-252020-05-25СтудИзба
Курсовая работа: Привод ленточного транспортера (редуктор цилиндрический двухступенчатый соосный) вариант 94
Описание
Характеристики курсовой работы
Предмет
Учебное заведение
Семестр
Вариант
Просмотров
348
Размер
848,03 Kb
Список файлов
RPZ.docx
Лист 1.cdw
Лист 3.cdw
Лист 4.cdw
Лист 5.cdw
лист 2.cdw
спецификация 1.spw
спецификация 2.spw
МГТУ им. Н.Э.Баумана
kekpplin


















