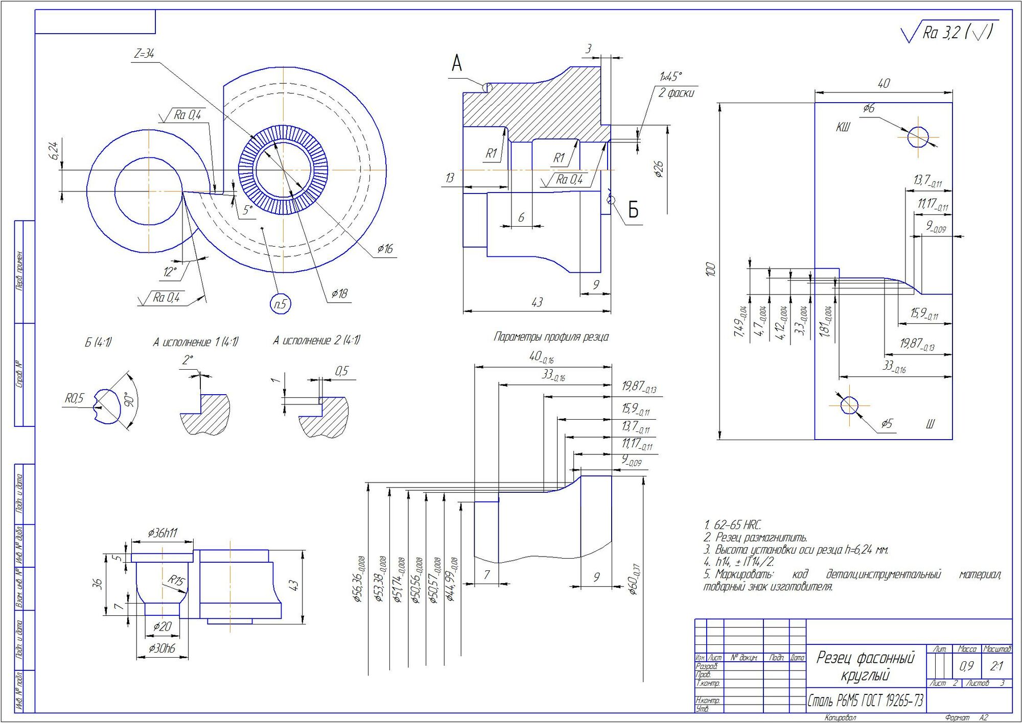
Для студентов по предмету ЧерчениеВоспроизвести изображённый на рисунке чертёж в программной среде "Kompas 13" или более поздней версии. (РезецВоспроизвести изображённый на рисунке чертёж в программной среде "Kompas 13" или более поздней версии. (Резец
4,805357
2014-08-112025-05-22СтудИзба
Задача: Воспроизвести изображённый на рисунке чертёж в программной среде "Kompas 13" или более поздней версии. (Резец
Описание
Уровень чертежа - курсовой (или дипломный) проект.
Характеристики решённой задачи
Предмет
Просмотров
707
Качество
Идеальное компьютерное
Размер
35,3 Kb
Список файлов
Резец фасонный круглый.cdw
Комментарии
Нет комментариев
Стань первым, кто что-нибудь напишет!





















