Для студентов по предмету ЧерчениеНачертить в программе Kompas ВалНачертить в программе Kompas Вал
4,805357
2014-08-112025-05-22СтудИзба
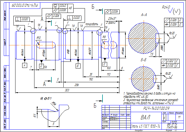
Задача: Начертить в программе Kompas Вал
Описание
Характеристики решённой задачи
Предмет
Просмотров
998
Качество
Идеальное компьютерное
Размер
11,69 Kb
Список файлов
Вал.cdw
Комментарии
Нет комментариев
Стань первым, кто что-нибудь напишет!
























