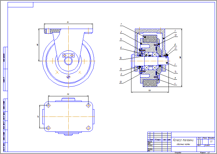
Для студентов по предмету ЧерчениеСоздать чертёж в программной среде "Космас":Колесо тележки цеховой.Спецификация в форматеСоздать чертёж в программной среде "Космас":Колесо тележки цеховой.Спецификация в формате
4,805304
2014-08-112025-05-22СтудИзба
Задача: Создать чертёж в программной среде "Космас":Колесо тележки цеховой.Спецификация в формате
Описание
Характеристики решённой задачи
Предмет
Просмотров
1788
Качество
Идеальное компьютерное
Размер
46,15 Kb
Список файлов
Колесо.cdw
Спецификация 2 лист.cdw
Спецификация.cdw
Текстовый документ.txt
Комментарии
Нет комментариев
Стань первым, кто что-нибудь напишет!

























