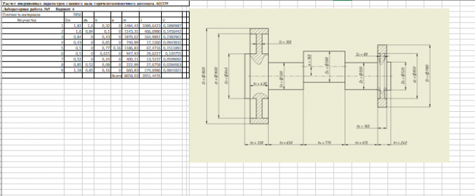
Для студентов МГТУ им. Н.Э.Баумана по предмету Автоматизация инженерной деятельности (АИД)Лабораторная работа №5Лабораторная работа №5
5,005114
2023-11-072023-11-07СтудИзба
Лабораторная работа: Лабораторная работа №5 вариант 4
Описание
Характеристики лабораторной работы
Учебное заведение
Вариант
Программы
Просмотров
5
Качество
Идеальное компьютерное
Размер
131,65 Kb
Список файлов
Вариант 4.xlsx
Комментарии
Нет комментариев
Стань первым, кто что-нибудь напишет!
МГТУ им. Н.Э.Баумана
saylessss


















