Для студентов ИГХТУ по предмету Автоматизация технологических процессовАвтоматизированная система управления участком синтеза карбамидаАвтоматизированная система управления участком синтеза карбамида
5,00570
2025-07-012025-07-10СтудИзба
Курсовая работа: Автоматизированная система управления участком синтеза карбамида
Описание
Автоматизированная система управления участком синтеза карбамида
- Ключевые слова: технологический процесс, автоматизированная система управления, синтез карбамида, схема автоматизации, микропроцессорный контроллер, карта заказа.
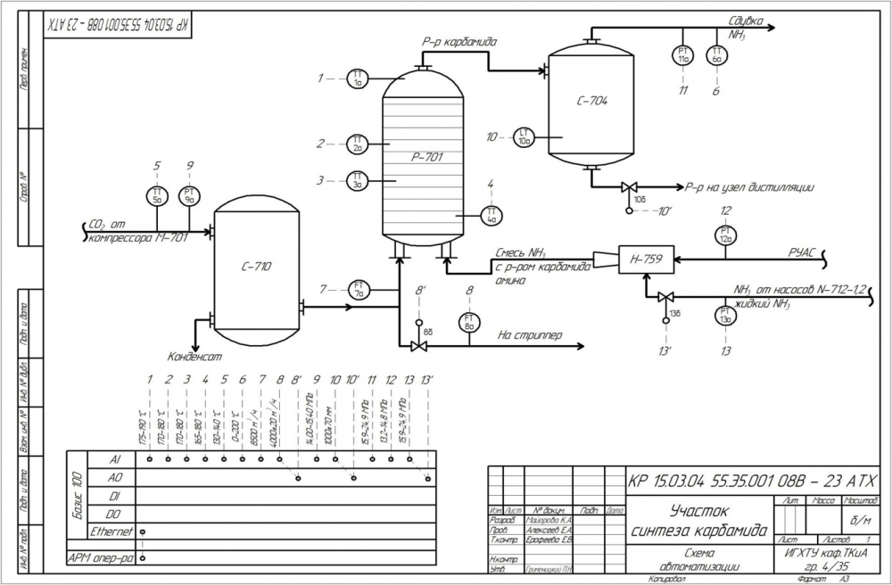
- Курсовая работа рассматривает вопросы автоматизации участка синтеза карбамида. Приведено описание технологического процесса, протекающего на линии. Предлагается вариант автоматизации линии на основе применения современной контроллерной техники и средств автоматизации. Основой для реализации АСУТП является микропроцессорный контроллер Базис 100.
- Разработана структура комплекса технических средств АСУТП, схема автоматизации, составлена карта заказа на контроллер, выполнена схема подключений к модулям ввода/вывода контроллера.
рисунков - 1,
таблиц - 2,
источников литературы - 15.
Содержание
- 1. Описание технологического процесса 5
- 1.1. Узел синтеза карбамида 9
- 2. Классификация переменных 14
- 3. Структура КТС АСУТП 16
- 3.1. Обоснование выбора датчиков 16
- 3.2. Обоснование выбора регулирующих органов. 18
- 3.3. Функции системы 19
- 4. Схема автоматизации 21
- 4.1 Описание схемы автоматизации 21
- 4.2. Спецификация на средства измерения и автоматизации 23
- 5. Описание и работа контроллера БАЗИС 100 27
- Заключение 34
- Список литературы 35


Характеристики курсовой работы
Учебное заведение
Семестр
Программы
Теги
Просмотров
22
Качество
Идеальное компьютерное
Размер
1,72 Mb
Преподаватели
Список файлов
КУРСАЧ.docx

🎓Помощь студентам Ивановских ВУЗов🎓 ❤️ Каждая приобретенная работа служит стимулом для добавления новых материалов и упрощает учебный процесс.