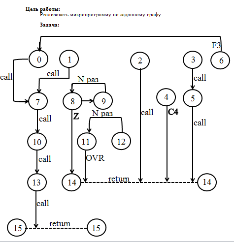
Для студентов МГТУ им. Н.Э.Баумана по предмету Аппаратные средства вычислительной техникиПереходы в микропрограммах с использованием стека. Защита ДЗ2Переходы в микропрограммах с использованием стека. Защита ДЗ2
5,00595
2024-05-012025-01-02СтудИзба
Лабораторная работа 2: Переходы в микропрограммах с использованием стека. Защита ДЗ2 вариант 4
Описание

Характеристики лабораторной работы
Учебное заведение
Семестр
Номер задания
Вариант
Просмотров
2
Размер
234,47 Kb
Список файлов
ЛР№2 - Защита.docx
Комментарии
Нет комментариев
Стань первым, кто что-нибудь напишет!
МГТУ им. Н.Э.Баумана
AlexInfinity

















