2.2.2.3.2.1 Кольцевые счетчики (988676)
Текст из файла
Кольцевые счетчики.
На базе регистров сдвига можно построить кольцевые счетчики - счетчики Джонсона. Счетчик Джонсона имеет коэффициент пересчета, вдвое больший числа составляющих его триггеров. В частности, если счетчик состоит из трех триггеров (m=3), то он будет иметь шесть устойчивых состояний. Счетчик Джонсона используется в системах автоматики в качестве распределителей импульсов и т.д.
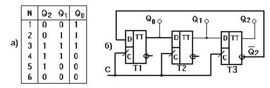
Таблица состояний счетчика Джонсона (рис. 3.29) содержит 2m (m - количество триггеров в составе регистра) строк и m-столбцов. Количество разрядов счетчика определяется количеством триггеров (рис. 3.29). Рассмотрим схему трехразрядного счетчика Джонсона, выполненного на базе D-триггеров (регистр сдвига реализован на D-триггерах). Для построения кольцевого счетчика достаточно соединить инверсный выход последнего триггера регистра (последнего разряда) с входом “D” (с входом, предназначенным для ввода последовательной информации) первого триггера.
Рис. 3.29. Таблица состояний а) и схема б) счетчика Джонсона на трехразрядном регистре сдвига
Предположим, что вначале все триггеры находятся в состоянии “0”, т.е. Q0= Q1=Q2=0. При этом на входе “D” первого триггера присутствует уровень “1”, т.к
=1. Первым синхроимпульсом в триггер Т1 запишется “1”, вторым - единица запишется в первый триггер, из первого - во второй и т.д. до тех пор, пока на всех выходах регистра не будет “1”. После заполнения регистра единицами, на инверсном выходе триггера Т3 появится
=0 и четвертым синхроимпульсом в Т1 запишется логический “0” (рис. 3.29, б).
После поступления последующих трех синхроимпульсов регистр обнуляется и на его вход “D” снова подается уровень “1”. Таким образом, цикл повторения состояния кольцевого счетчика состоит из шести тактов синхросигнала. Как видим, при работе в начале от первого триггера до последнего триггера распространяется “волна единиц”, а затем “волна нулей”. Код, в котором работает счетчик Джонсона, называют кодом Либау-Крейга.
Характеристики
Тип файла документ
Документы такого типа открываются такими программами, как Microsoft Office Word на компьютерах Windows, Apple Pages на компьютерах Mac, Open Office - бесплатная альтернатива на различных платформах, в том числе Linux. Наиболее простым и современным решением будут Google документы, так как открываются онлайн без скачивания прямо в браузере на любой платформе. Существуют российские качественные аналоги, например от Яндекса.
Будьте внимательны на мобильных устройствах, так как там используются упрощённый функционал даже в официальном приложении от Microsoft, поэтому для просмотра скачивайте PDF-версию. А если нужно редактировать файл, то используйте оригинальный файл.
Файлы такого типа обычно разбиты на страницы, а текст может быть форматированным (жирный, курсив, выбор шрифта, таблицы и т.п.), а также в него можно добавлять изображения. Формат идеально подходит для рефератов, докладов и РПЗ курсовых проектов, которые необходимо распечатать. Кстати перед печатью также сохраняйте файл в PDF, так как принтер может начудить со шрифтами.














