2.2.2.3.2 Регистры сдвига (988673)
Текст из файла
Регистры сдвига
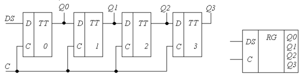
Кроме операции хранения данных регистры могут использоваться и для операции сдвига данных с целью преобразования двоичного последовательного кода в параллельный и наоборот. Это так называемые сдвиговые регистры или регистры сдвига, которые получаются путем цепочного соединения триггеров.
Суть сдвига состоит в том, что по сигналу синхроимпульса происходит одновременная перезапись содержимого каждого триггера в соседний триггер. При этом не меняется само двоичное слово (число), записанное в регистре, оно лишь сдвигается на один разряд и только содержимое последнего триггера ТТ3 пропадает из регистра, а на вход первого ТТ0 поступает новый бит(см. рис.1)
а) б)
Рис. 1. Сдвигающий регистр
а) схема на непрозрачных триггерах
б) условное обозначение
Сдвигающий регистр в отличие от регистра памяти должен обязательно состоять из непрозрачных триггеров, иначе при первом же сигнале сдвига бит, поступивший на вход первого триггера регистра сдвига, сразу же пройдёт на выход этого триггера и соответственно, на вход второго триггера, а значит и на выход второго триггера и т. д. до последнего триггера регистра сдвига.
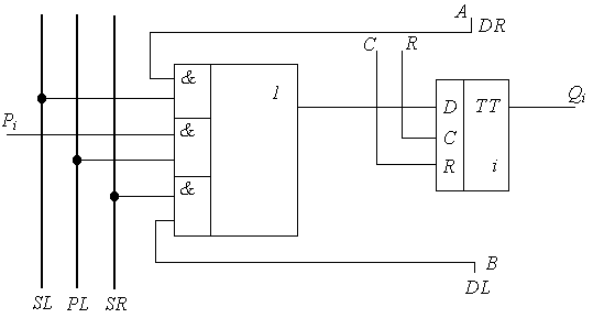
В некоторых сдвиговых регистрах сдвиг происходит не только в одну сторону, а и влево и вправо - это так называемые реверсивные регистры.
Чтобы обеспечить реверс сдвига и параллельную запись сразу во все триггеры к D-входу каждого i-того триггера подключён мультиплексор, который при подаче " 1 " на один из управляющих входов - SL(Shift Left - сдвиг влево), SR(Shift Right - сдвиг вправо) или PL(Parallel load - параллельная загрузка) подключает вход i-того триггера соответственно к выходу младшего соседа (направление A), старшего соседа (направление B) или к выходу параллельной загрузки Di (см. рис.2). Точка A самого младшего триггера (разряда) является входом DR, точка В самого старшего разряда - входом DL (входы DL и DR используются для наращивания разрядности реверсивных регистров). Выход i-го триггера подключён к соответствующим входам мультиплексоров соседних разрядов. По С-сигналу триггеры регистра принимают информацию с направлений, диктуемых мультиплексорами.
Рис.2 Схема одного разряда реверсивного регистра.
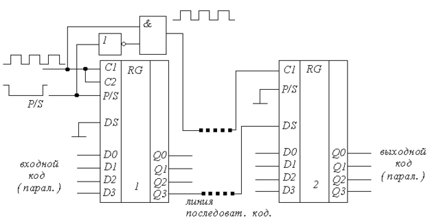
На рис.3 представлена принципиальная схема сдвигового регистра с параллельным и последовательным вводом данных.
Рис.3 Сдвиговый регистр с возможностью параллельного
и последовательного ввода данных.
DS - Data Serial - вход для последовательного ввода данных
P/S - Parallel/Serial - выбор режима работы
Чтобы 4-х разрядное двоичное число, представленное в параллельном коде, преобразовать в последовательный код, надо сначала разряды этого числа подать на входы D0,D1,D2,D3 регистра, а одновременно с этим подать разрешение на параллельную запись, т.е. P/S = 1 и подать один или несколько импульсов на С-вход регистра.
После этого нужно запретить параллельную запись в регистр и тем самым разрешить последовательный режим регистра (P/S = 0). Теперь на каждый синхроимпульс выход D3 будет выдавать поочерёдно разряды записанного двоичного числа.
Обычно последовательный код начинается младшим разрядом, а в данном регистре первым на выход поступит разряд числа, записанный ранее на триггер ТТ3, значит при параллельной записи следует проследить, чтобы младший разряд был записан в триггер ТТ3, а старший - в ТТ0.
Рассмотрим схему преобразования параллельного кода в последовательный, приведённую на рис.4. Данные параллельным кодом загружаются в регистр RG1, пока P/S=1. Затем при P/S=0 RG1 переходит в режим сдвига (последовательный режим) и в течение 4-х импульсов на С- входе RG1 содержимое этого регистра с его выхода Q3 разряд за разрядом передаётся на RG2 на вход DS, где записывается последовательным кодом благодаря подаче 4-х синхроимпульсов на вход C RD2. После этого данные могут быть считаны параллельным кодом с выходов Q0-Q3 регистра RG2.
Рис.4 Преобразование параллельного кода в последовательный
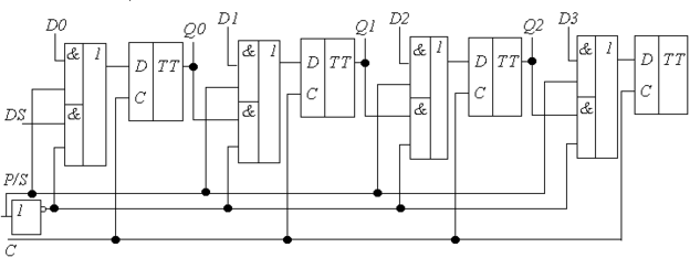
Рис.5 Условное обозначение и цоколевка микросхемы К155ИР1
Характеристики
Тип файла документ
Документы такого типа открываются такими программами, как Microsoft Office Word на компьютерах Windows, Apple Pages на компьютерах Mac, Open Office - бесплатная альтернатива на различных платформах, в том числе Linux. Наиболее простым и современным решением будут Google документы, так как открываются онлайн без скачивания прямо в браузере на любой платформе. Существуют российские качественные аналоги, например от Яндекса.
Будьте внимательны на мобильных устройствах, так как там используются упрощённый функционал даже в официальном приложении от Microsoft, поэтому для просмотра скачивайте PDF-версию. А если нужно редактировать файл, то используйте оригинальный файл.
Файлы такого типа обычно разбиты на страницы, а текст может быть форматированным (жирный, курсив, выбор шрифта, таблицы и т.п.), а также в него можно добавлять изображения. Формат идеально подходит для рефератов, докладов и РПЗ курсовых проектов, которые необходимо распечатать. Кстати перед печатью также сохраняйте файл в PDF, так как принтер может начудить со шрифтами.















