2.2.2.3.1.1 Регистровая память (988672)
Текст из файла
Регистровая память .
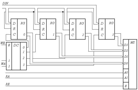
Микросхемы регистровой памяти содержат несколько регистров. На рис.3 показана структурная схема регистровой памяти 4 х 4 (четыре регистра 4-х - разрядных слов).
Вход загрузки требуемого регистра выбирается дешифратором записи DC на основании адреса записи WA , т. е. кода номера загружаемого регистра. Запись данных, присутствующих на шине DIN, происходит в момент поступления сигнала разрешения записи WE. Выходы регистров мультиплексором MS подключаются к выходной шине DOUT. Номер регистра, с которого происходит чтение, определяет код адреса чтения RA . Выдачу данных в шину DOUT разрешает сигнал RE. Поскольку дешифрация адреса записи и адреса чтения производится двумя независимыми узлами, имеющими автономные адресные входы WA и RA , регистровая память может одновременно записывать число в один из регистров и читать число из другого.
Рис.3. Структурная схема регистровой памяти 4 х 4 .
Характеристики
Тип файла документ
Документы такого типа открываются такими программами, как Microsoft Office Word на компьютерах Windows, Apple Pages на компьютерах Mac, Open Office - бесплатная альтернатива на различных платформах, в том числе Linux. Наиболее простым и современным решением будут Google документы, так как открываются онлайн без скачивания прямо в браузере на любой платформе. Существуют российские качественные аналоги, например от Яндекса.
Будьте внимательны на мобильных устройствах, так как там используются упрощённый функционал даже в официальном приложении от Microsoft, поэтому для просмотра скачивайте PDF-версию. А если нужно редактировать файл, то используйте оригинальный файл.
Файлы такого типа обычно разбиты на страницы, а текст может быть форматированным (жирный, курсив, выбор шрифта, таблицы и т.п.), а также в него можно добавлять изображения. Формат идеально подходит для рефератов, докладов и РПЗ курсовых проектов, которые необходимо распечатать. Кстати перед печатью также сохраняйте файл в PDF, так как принтер может начудить со шрифтами.












