2.2.1.1.1 Шифратор (coder) выполняет функцию преобразования унарного кода в двоичный (988605)
Текст из файла
Шифратор
Шифратор (coder) выполняет функцию преобразования унарного кода в двоичный . При подаче сигнала на один из входов (обязательно на один, не более) на выходе появляется двоичный код номера активного входа.
Приоритетный шифратор отличается от шифратора наличием дополнительной логической схемы выделения активного уровня старшего входа для обеспечения условия работоспособности шифратора (только один уровень на входе активный ). Уровни сигналов на остальных входах схемой игнорируются. Схема выделения строится на конъюнкторах и инверторах таким образом, чтобы любое число старших нулей , образовывая после инверторов логические единицы , не влияло на работу конъюнкторов в цепи младших входов. Любая самая старшая единица (после инвертора -логический ноль) запирает конъюнкторы младших входов.
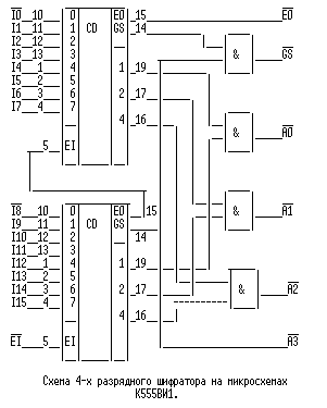
Особенностью шифраторов К555ИВ3 (ИВ1) являются инверсные входы и выходы, т. е. активным уровнем является логический нуль. Шифратор К555ИВ3 преобразовывает унарный код в двоично-десятичный . Шифратор К555ИВ1 (155ИВ1, 533ИВ1) преобразовывает унарный код в трехразрядный двоичный с формированием групповых сигналов для наращивания разрядности . Имеется также вход разрешения EI.
Шифратор К555ИВ3 может быть использован для преобразования унарного кода в трехразрядный двоичный. В этом случае I9 и выход А3 не используются, а вход I8 становится разрешающим. Обоснованием этого является то , что при активном уровне на входе I8 выходы А0 - А2 всегда неактивные (активный выход А3 - инверсный код выходов шифратора 0111). Для наращивания разрядности с применением шифраторов К555ИВ3 , кроме входа разрешения EI , необходимо иметь выход разрешения Е0 и выход группового сигнала GS. Дополнительные выходы образуются с помощью дополнительных логических элементов. В этом случае структурная схема становится аналогичной схеме шифратора К555ВИ1.
Выход разрешения Е0 активен, когда все входы , кроме входа разрешения, неактивны. Выход группового сигнала GS активен, когда в группе входных сигналов есть хотя бы один активный уровень. Если вход разрешения неактивен , то независимо от уровня сигнала на остальных входах , все выходы , в том числе и выходы тракта групповых сигналов, неактивны.
Наращивание разрядности шифраторов основано на том oбстоятельстве , что все цифры, начиная с восьми , имеют "1" в старшем разряде . Следовательно, выход GS шифратора , образующего входы I8 - I15 , может быть использован для образования старшего разряда А3.
Характеристики
Тип файла документ
Документы такого типа открываются такими программами, как Microsoft Office Word на компьютерах Windows, Apple Pages на компьютерах Mac, Open Office - бесплатная альтернатива на различных платформах, в том числе Linux. Наиболее простым и современным решением будут Google документы, так как открываются онлайн без скачивания прямо в браузере на любой платформе. Существуют российские качественные аналоги, например от Яндекса.
Будьте внимательны на мобильных устройствах, так как там используются упрощённый функционал даже в официальном приложении от Microsoft, поэтому для просмотра скачивайте PDF-версию. А если нужно редактировать файл, то используйте оригинальный файл.
Файлы такого типа обычно разбиты на страницы, а текст может быть форматированным (жирный, курсив, выбор шрифта, таблицы и т.п.), а также в него можно добавлять изображения. Формат идеально подходит для рефератов, докладов и РПЗ курсовых проектов, которые необходимо распечатать. Кстати перед печатью также сохраняйте файл в PDF, так как принтер может начудить со шрифтами.














