2.1.2.3.2 Состав ттл логических микросхем малой интеграции (988580)
Текст из файла
Состав ттл логических микросхем малой интеграции
Логический элемент, служащий основой для построения других сложных микросхем называется базовым. В ТТЛ базовым логическим элементом считается элемент 4–НЕ. Микросхема, содержащая в своем корпусе два таких логических элемента, – 2 (4И–НЕ), имеет в своем обозначении символы ЛА1 (К155ЛА1).
В ТТЛ сериях логические элементы И–НЕ распространены более других. Они производятся в виде самостоятельных микросхем, а также служат основой для построения сложных комбинационных и последовательностных микросхем средней и большой интеграции. Кроме базового элемента ЛА1, – 2 (4И–НЕ), в ТТЛ выпускаются логические элементы ЛА2, – 8И–НЕ, логические элементы ЛА3, – 4 (2И–НЕ), логические элементы ЛА4, – 3 (3И–НЕ).
Чтобы реализовать функцию ИЛИ в логические элементы ТТЛ вводят несколько каскадов с фазоразделительными транзисторами, выходы этих транзисторов соединяют параллельно (коллекторы с коллекторами, эмиттеры с эмиттерами) как показано на рис. 7.2.1.
Рис.7.2.1. Микросхема 2И–2ИЛИ–НЕ с выводами коллектора и эмиттера фазоразделительного каскада, предназначенными для подключения расширителей по ИЛИ
Если входные многоэмиттерные транзисторы таких микросхем имеют по несколько входов И, то получается схема логического элемента ЛР, – И–ИЛИ–НЕ, очень распространенная в ТТЛ (в ТТЛ сериях выпускается тринадцать типов логических элементов И–ИЛИ–НЕ).
В некоторых видах этих микросхем И–ИЛИ–НЕ точки соединений коллекторов и эмиттеров подведены к выводам микросхемы, как показано на рис. 7.2.1 пунктирными линиями, что позволяет подключать дополнительные входные каскады с целью расширения по ИЛИ. При изображении логического элемента И–ИЛИ–НЕ или расширителей с выходами коллектор и эмиттер эти выводы отмечают наклонными крестами (см. рис. 7.2.2), в отличие от логических выводов. На обозначенных крестами выводах микросхем потенциалы могут отличаться от уровней, заданных требованиями для логических уровней.
К155ЛД1
Рис. 7.2.2. Условные графические обозначения расширителя по ИЛИ и логического элемента 2И–2ИЛИ–НЕ, “нелогические” выводы которых, отмечены наклонными крестами
Для расширения по входу ИЛИ в ТТЛ выпускают специальные расширители по ИЛИ на четыре И входа (ЛД1), показанный на рис. 7.2.2 и рис.7.2.3, и на восемь И входов (ЛД3).
+ 5 В
К
Э
Рис. 7.2.3. Схема расширителя по ИЛИ, с выходами коллектора и эмиттера, предназначенными для подключения параллельно к выводам коллектора и эмиттера фазоразделительного каскада логического элемента И–ИЛИ–НЕ
Подключив выводы коллектора и эмиттера фазоразделительного каскада расширителя 4И к выводам коллектора и эмиттера фазоразделительного каскада микросхемы 2И–2ИЛИ–НЕ, можно получить логический элемент (2–2–4)И–3ИЛИ–НЕ, как это показано на рис.7.2.4.
Рис.7.2.4. Схема соединения четырехвходового расширителя по ИЛИ с выходами коллектора и эмиттера, подключенными параллельно к выводам коллектора и эмиттера фазоразделительного каскада логического элемента 2И–2ИЛИ–НЕ, создающего логический элемент (2–2–4)И–3ИЛИ–НЕ
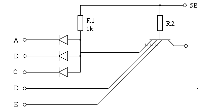
Увеличение числа входов И (расширение по И) можно получить, пользуясь элементами из нескольких схем И–НЕ, пользуясь постулатами де Моргана. Тот же результат может быть получен путем подключения дополнительных внешних диодов и резистора к любому из И входов, как показано на рис.7.2.5.
Рис. 7.2.5. Схема расширения по И с помощью дополнительных внешних диодов и резистора
Такое подключение снижает быстродействие и помехоустойчивость микросхемы по И входу, к которому подключены внешние диоды. Статическая помехоустойчивость ТТЛ микросхем составляет 0,4 В. При подаче на один из дополнительных внешних диодов уровня логического нуля падение напряжения на этом открытом диоде практически полностью скомпенсирует напряжение статической помехоустойчивости, поэтому любая помеха при нуле на входе может привести к ложному срабатыванию.
Что касается быстродействия такого подключения, то здесь существенно (почти на порядок) увеличивается длительность фронта переключения из нуля в единицу на том входе логического элемента, к которому подключены дополнительные внешние диоды. Это происходит из–за того, что заряд паразитной емкости этого входа происходит не через верхний выходной транзистор предыдущей микросхемы, имеющий внутреннее сопротивление в открытом состоянии 50 ...150 Ом, а через внешний резистор величиной 1 кОм. Если дополнительный резистор взять меньшей величины, то при этом может недопустимо возрасти нагрузка на предыдущую микросхему в состоянии логического нуля на ее выходе.
Характеристики
Тип файла документ
Документы такого типа открываются такими программами, как Microsoft Office Word на компьютерах Windows, Apple Pages на компьютерах Mac, Open Office - бесплатная альтернатива на различных платформах, в том числе Linux. Наиболее простым и современным решением будут Google документы, так как открываются онлайн без скачивания прямо в браузере на любой платформе. Существуют российские качественные аналоги, например от Яндекса.
Будьте внимательны на мобильных устройствах, так как там используются упрощённый функционал даже в официальном приложении от Microsoft, поэтому для просмотра скачивайте PDF-версию. А если нужно редактировать файл, то используйте оригинальный файл.
Файлы такого типа обычно разбиты на страницы, а текст может быть форматированным (жирный, курсив, выбор шрифта, таблицы и т.п.), а также в него можно добавлять изображения. Формат идеально подходит для рефератов, докладов и РПЗ курсовых проектов, которые необходимо распечатать. Кстати перед печатью также сохраняйте файл в PDF, так как принтер может начудить со шрифтами.










