1.4.1.3.2 Солдатенко А (988392)
Текст из файла
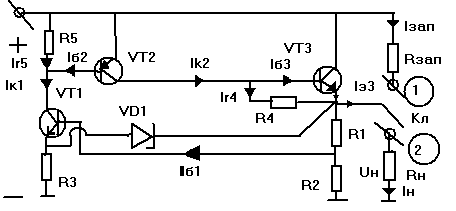
Компенсационный стабилизатор с триггерной самозащитой
Принцип работы компенсационного стабилизатора основан на сравнении эталонного напряжения и части выходного напряжения , и в случае рассогласования вырабатывается регулирующее воздействие, приводящее к изменению Uвых до тех пор , пока не будет
Uвых= Uэт*К с заданной точностью.
Данный стабилизатор предназначен для работы в источниках питания сбольшой вероятностью короткого замыкания (КЗ).
Рис Схема компенсационного стабилизатора с триггерной самозащитой.
При поданном входном напряжении данный стабилизатор имеет два устойчивых состояния
1 Когда подключена нагрузка , схема запитана , но VT1 , VT2 , VT3 - заперты .
2 Когда ключем Кл подключена нагрузка и стабилизатор находится в режиме регулирования
выходного напряжения .
Основа принципа работы данного стабилизатора заключается в регулировании тока Iн=Uн/Rн
с помощью контура : R1, VD1, VT1.
Регулирование тока нагрузки осуществляется транзистором VT1 , при его отпирании открываются тр-ры VT2,VT3 и увеличивается Iн=Iэ3.При сильном увеличении Iн увеличивается
падение напряжения на R1, как следствие происходит запирание VT1и уменьшение тока нагрузки.
Работу контура :R1,VD1,VT1 поясняет эквивалентная схема рис
рис Эквивалентная схема регулирующего контура.
Ur1=Uн*R1/(R1+R2)
при увеличении Uн , увеличивается напряжение Ur1 ,т.к Uст и Uбэ1 - const то как следствие
происходит уменьшение напряжения Urвх , следовательно уменьшается ток
Iб1=(Uст-Ur1-Uбэ)/Rвх и запирается транзистор VT1.
Принцип триггерной самозащиты заключается в том , что при КЗ резко увеличивается ток нагрузки , как следствие увеличивается падение напряжения на R1 , запирается транзистор VT1,
затем VT2,VT3 и схема лавино образно переходит в состояние 1, при Iн=0.
Достоинством этой схемы в том , что ее удобно использовать в лабораторных работах, при ве-
роятности КЗ.
Недостаток - ее надо запускать принудительно ключем Кл.
Составим структурную схему устройства и найдем коэффициэнт усиления разомкнутой цепи.
Рис Структурная схема компенсационного стабилизатора с триггерной самозащитой.
где Kd - коэффициэнт деления Rn - сопротивление нагрузки Rvx - входное сопротивление
транзистора VT1.
Возмущения прямого тракта ослабляются в Кр раз , а возмущения звеньев обратной связи прямо проходят на выход.
Найдем математическое выражение Uн.
Iб1=(Uст-Uбэ1-Uн*Кд)/Rвх ; где Rвх=rб1+
I0 ; Kд=R1/(R1+R2)
Iк1=Iб1*
;
Iб2=Iк1-IR5=Ik1-Uбэ2/R5;тогда Iк2=Iб2*
=Iб3 отсюда Iн=Iэ3=Iб3*
3
Iн=Iэ3=Iб3*
Ik2=Iб2*
=
(Ik1-Uбэ2/R5);
Iн=
(
*(Uст-Uбэ1-Uн*Кд)/Rвх-Uбэ2/R5) т.к Uн=Iн*Rн то
Uн=(
Uст*Rн/Rвх-
Uбэ*Rн/Rвх-
Uбэ2*Rн/Rвх)/1+Кp
отсюда
Uн=((Uст-Uбэ1/)Кд) - (Uбэ2*Rвх/R5*Кд*
))/(1+1/Кр).
Характеристики
Тип файла документ
Документы такого типа открываются такими программами, как Microsoft Office Word на компьютерах Windows, Apple Pages на компьютерах Mac, Open Office - бесплатная альтернатива на различных платформах, в том числе Linux. Наиболее простым и современным решением будут Google документы, так как открываются онлайн без скачивания прямо в браузере на любой платформе. Существуют российские качественные аналоги, например от Яндекса.
Будьте внимательны на мобильных устройствах, так как там используются упрощённый функционал даже в официальном приложении от Microsoft, поэтому для просмотра скачивайте PDF-версию. А если нужно редактировать файл, то используйте оригинальный файл.
Файлы такого типа обычно разбиты на страницы, а текст может быть форматированным (жирный, курсив, выбор шрифта, таблицы и т.п.), а также в него можно добавлять изображения. Формат идеально подходит для рефератов, докладов и РПЗ курсовых проектов, которые необходимо распечатать. Кстати перед печатью также сохраняйте файл в PDF, так как принтер может начудить со шрифтами.














