1.4.1.2 Курс . Преобразовательная техника (988386)
Текст из файла
Параметрические стабилизаторы
П
оказателем качества стабилизации напряжения служит
коэффициент стабилизации Кст, показывающий, во сколько
раз относительное приращение напряжения на выходе стабилизатора меньше вызвавшего его относительного при-
ращения напряжения на входе.
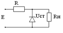
Рис.1 Схема параметрического Кст=δЕ/δUcт
На рисунке 2 приведена ВАХ стабилитрона (обратная ветвь),
из анализа которой следует :
ctg β=ΔU/ΔI[Oм]=Ri
Ucт=U0+ctg β*I=U0+Ri*I, где Ri –дифференциальное
сопротивление стабилитрона.
Рис.2 Эквивалентная схема Рис.4 Эквивалентная схема параметрического
стабилитрона. стабилизатора.
ΔUcт=Uст1-Uст2;
Rп=R//Ri//Rн Uст=(Rп/R)*E+(Rп/Ri)*Uo
Uст1=(Rп/R)*E1+(Rп/Ri)*Uo; Uст2=(Rп/R)*E2+(Rп/Ri)*Uo
ΔUст= (Rп/R)*(E1-E2)=ΔE*(Rп/R); δUст=ΔE*Rп/Uст*R;
Kст=δE/δUст=(ΔE*R*Uст)/(Е*ΔE*Rп)=(Uст/E)*(R/Rп);
R=(E-Uст)/(Iст+Iн) (1)
Из формулы (1) следует , что при увеличении Iн уменьшается R и,следовательно, Кст уменьшается.
Поэтому параметрические стабилизаторы должны использоваться только на холостом
ходу или в качестве Uэталонного.
Кст хх, => Rн=; Ri<<R ;
Кст хх=(Uст/E)*(R/Ri) ;
Главным при расчёте параметрического стабилизатора является выбор такого стабилитрона, который обеспечил бы заданное значение Кст при минимальном Е .
Для этого определим от чего зависит значение Кст макс , когда ΔU→∞ (E→∞) .
Kс
т=δΕ/δUн=(Ucт/E)*(R/Ri) (2)
R=(E-Ucт)/Icт min ;
Подставив в формулу (2) выражение для R получим :
Kcт=(Ucт/E)*(E-Ucт)/(Icт min*Ri)=(Ucт/E)*(E-Ucт)/URi=
=∆Ucт/(Ucт+∆Ucт)*(Ucт/URi)≈Ucт/URi ; при ∆U>>Ucт
Кст макс=Uст/URi (3)
Как видно из (3) , Кст макс зависит от URi .
Сравним значения Кст макс для двух стабилитронов с одинаковым Uст=15B.
| Стабилитрон | Ucт,В | Ri,Oм | Icт min,мА | URi ,мВ | Кст макс |
| Д814Д | 15 | 18 | 5 | 90 | 166 |
| КС215Ж | 15 | 70 | 0,5 | 35 | 428 |
814 : URi=Ri*Icт min=90mB ;
215 : URi=35mB ;
814 : Kcт =Ucт/URi=166 ;
215 : Kcт=428 ;
Как видно из сравнения значений Кст макс , КС215Ж обеспечивает гораздо более
высокий коэффициент стабилизации .(КС215Ж-лучше) .
Порядок определения Епит (при заданных значениях Кст макс , Кст) следующий :
1.По заданным значениям Кст , Кст макс определяем γ :
γ =ΔUст/E ; Кст=Кст макс*γ , следовательно γνеобх=Кст/Кст макс ;
Для примера : Кст = 100 ;
814: γνеобх = Кст/Кст макс = 100/166=0,6 ;
215: γνеобх = 100/428 = 0,233 ;
2.Вычисляем ΔUст из учёта необходимого Uст :
γ = ΔUст/(Uст+ΔUст) , следовательно ΔUcт = (Ucт*γ)/(1-γ) ;
814 : ΔU = (Ucт*γнеобх)/(1-γнеобх) = (15*0,6)/(1-0,6) = 22,5В ;
215 : ΔU = 4,6B ;
3.Находим питающее напряжение Е : Е = Uст + ΔU ;
814 : E = Ucт + ΔU = 15 + 22,5 = 37,5B ;
215 : E = 15 + 4,6 = 19,6 B ;
Полученные значения сведём в таблицу :
| Стабилитрон | URi ,mB | К ст макс | γνеобх | Епит , В |
| Д814Д | 90 | 166 | 0,6 | 37,5 |
| КС215Ж | 35 | 428 | 0,233 | 19,6 |
Данный пример доказывает целесообразность выбора стабилитрона КС215Ж, так как
при заданном Кст=100 он работает при меньшем Епит = 19,6В .
Характеристики
Тип файла документ
Документы такого типа открываются такими программами, как Microsoft Office Word на компьютерах Windows, Apple Pages на компьютерах Mac, Open Office - бесплатная альтернатива на различных платформах, в том числе Linux. Наиболее простым и современным решением будут Google документы, так как открываются онлайн без скачивания прямо в браузере на любой платформе. Существуют российские качественные аналоги, например от Яндекса.
Будьте внимательны на мобильных устройствах, так как там используются упрощённый функционал даже в официальном приложении от Microsoft, поэтому для просмотра скачивайте PDF-версию. А если нужно редактировать файл, то используйте оригинальный файл.
Файлы такого типа обычно разбиты на страницы, а текст может быть форматированным (жирный, курсив, выбор шрифта, таблицы и т.п.), а также в него можно добавлять изображения. Формат идеально подходит для рефератов, докладов и РПЗ курсовых проектов, которые необходимо распечатать. Кстати перед печатью также сохраняйте файл в PDF, так как принтер может начудить со шрифтами.










