1.3.1.5.10.2 Примеры расчета ФНЧ на основе ИНУН (988225)
Текст из файла
Примеры расчета ФНЧ на основе ИНУН
Пример 1. Пусть требуется рассчитать фильтр Чебышева четвертого порядка (n=4) с частотой среза fс = 1000 Гц, с неравномерностью передачи в полосе пропускания 1=0,5 дБ и единичным коэффициентом усиления (K=1). По имеющимся данным: n=4; 1=0,5 дБ находим коэффициенты В и С из приложения А, при этом фильтр должен состоять из двух звеньев второго порядка с единичным коэффициентом передачи.
Для первого звена имеем :
В = 0,350706 ; С = 1,063519.
Для второго звена имеем :
В = 0,846680 ; С = 0,356412.
Выбираем значение емкостей С2=10/fс, мкФ, это значение будет одинаково для первого и второго звеньев :
С2 = 10-8 Ф .
В соответствии с неравенством (34) находим значение конденсатора С1 для первого звена :
Выбираем значение С1 = 0,29 10-9 Ф .
Далее, с учетом соотношения (33), находим значения резисторов :
R1 = 67 КОм ,
R2 = 137 КОм.
Находим значение С1 для второго звена :
Выбираем значение С1 = 4,7 10-9 Ф. Тогда сопротивления R1 и R2 для второго звена будет иметь значения :
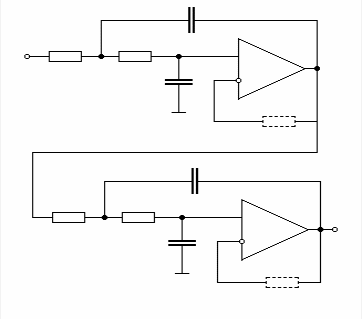
Принципиальная схема с рассчитанными номиналами приведена на рис. 15.
U1
67К
137К
ОУ
290 пФ
10 нФ
(67+137)К
звено 1
K=1
34,1К
звено 2
K=1
ОУ
44,4К
4,7 нФ
10 нФ
(34,1+44,4)К
U2
Рис. 15. Фильтр Чебышева четвертого порядка
с 1=0,5 дБ, fс=1000 Гц.
Характеристики
Тип файла документ
Документы такого типа открываются такими программами, как Microsoft Office Word на компьютерах Windows, Apple Pages на компьютерах Mac, Open Office - бесплатная альтернатива на различных платформах, в том числе Linux. Наиболее простым и современным решением будут Google документы, так как открываются онлайн без скачивания прямо в браузере на любой платформе. Существуют российские качественные аналоги, например от Яндекса.
Будьте внимательны на мобильных устройствах, так как там используются упрощённый функционал даже в официальном приложении от Microsoft, поэтому для просмотра скачивайте PDF-версию. А если нужно редактировать файл, то используйте оригинальный файл.
Файлы такого типа обычно разбиты на страницы, а текст может быть форматированным (жирный, курсив, выбор шрифта, таблицы и т.п.), а также в него можно добавлять изображения. Формат идеально подходит для рефератов, докладов и РПЗ курсовых проектов, которые необходимо распечатать. Кстати перед печатью также сохраняйте файл в PDF, так как принтер может начудить со шрифтами.














