1.3.1.1.2.4.4 Расчет и выбор элементов усилителя мощности - предоконечные транзисторы, источники тока и др (988189)
Текст из файла
Расчет и выбор элементов усилителя мощности - предоконечные транзисторы, источники тока и др.
Резисторы R3-R4 предотвращают режим обрыва базы выходных транзисторов при запирании предоконечных транзисторов и выбираются в пределах 100-500 Ом.
Входной ток выходных транзисторов VT4-5 определяется
Если транзисторы имеют различные параметры, то расчет ведется по наименьшему значению . Для увеличения коэффициента усиления по мощности (по току) применяют составные транзисторы. Требования к предоконечным транзисторам VT2-3 (или VT1-2 для рис. 3) по предельно-допустимым параметрам:
После выбора предоконечных транзисторов определяют входной ток усилителя мощности:
Достаточным усиление по току можно считать в том случае, если Iвхm5мА, что соответствует типовому значению выходного тока ОУ. В противном случае входной ток можно уменьшить:
а) подбором транзисторов с большими значениями ,
б) использование дополнительных транзисторов (три последовательно),
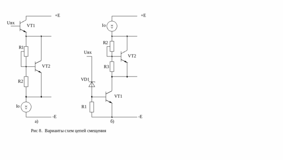
в) применение цепей смещения с усилением по току (см. рис. 8).
Назначение цепи смещения – уменьшение свойственных классу В переходных искажений путем нейтрализация зоны нечувствительности двухтактных выходных каскадов. Напряжение Uкэ транзистора VT1 (рис. 2) устанавливают равным
Uкэ1=Uсм = Uбэотп2 + Uбэотп3 + Uбэотп4 + Uбэотп5 (24)
где Uбэотп – напряжение отпирание соответствующих транзисторов.
Если входные ВАХ транзисторов отсутствуют, то можно ориентировочно принять Uбэотп 0,50,6 В.
В схеме на рис. 3а Uкэ1=Uсм = Uбэотп2 + Uбэотп3. Для схемы рис. 3б дополнительное смещение отсутствует ввиду того, что зона нечувствительности скомпенсирована последовательным включением база - эмиттерных переходов разнотипных транзисторов,
Транзистор VT1 (рис.2) включен по схеме с коллекторной стабилизацией – с отрицательной обратной связью по напряжению Uкэ. Напряжение на нем
Определив требуемое значение Uсм и задавшись например R1=1 кОм, рассчитывают R2. В качестве R2 выбирают подстроечные резисторы примерно удвоенного номинала, чтобы иметь возможность перекрыть погрешности расчетов, вызванные неопределенностью учитываемых характеристик транзисторов.
Источники тока Io обеспечивают режим стабилизации Uсм и их величина должна не менее тока (23):
Io Iвхm (26)
Схема источника тока приведена на рис. 7. Ток Io – это ток коллектора VT1, включенного по схеме с фиксированным потенциалом базы (резисторы R1-R2), эмиттерной стабилизацией (R3) и термокомпенсацией (VD1). Потенциал базы Uб для сохранения активного режима транзистора должен удовлетворять условию
Uб Uвхm+0,5Uсм. (27)
После выбора транзистора VT1 по предельным параметрам Uкэ > 2Е, Iк > Iо, Рк > E Io, можно выбрать ток делителя Iдел = (5-10) Iоб = (5-10) Iо/ и рассчитать резисторы
R1=[E-(Uб+Uпр)]/Iдел (28)
R2=Uб/(Iдел +Iоб) (29)
R3= Iдел R1/Iо (30)
Расчет второго источника тока на p-n-p транзисторе не отличается от рассмотренного. Если требуется дополнительное усиление по току, применяют вариант цепи смещения (рис. 8, а). Требования к VT1: Uкэ > 2Е, Iк > Iо+ Iвхm , Рк>EIo.
Следующий вариант цепи смещения (рис. 8, б) обеспечивает кроме усиления по току усиление и по напряжению за счет включения VT1 по схеме ОЭ. Стабилитрон VD1 подбирают по Uст Е, чтобы постоянная составляющая Uвх была близка к нулю. Требования к VT1 по предельным параметрам такие же, как и в схеме рис. 8а.
Характеристики
Тип файла документ
Документы такого типа открываются такими программами, как Microsoft Office Word на компьютерах Windows, Apple Pages на компьютерах Mac, Open Office - бесплатная альтернатива на различных платформах, в том числе Linux. Наиболее простым и современным решением будут Google документы, так как открываются онлайн без скачивания прямо в браузере на любой платформе. Существуют российские качественные аналоги, например от Яндекса.
Будьте внимательны на мобильных устройствах, так как там используются упрощённый функционал даже в официальном приложении от Microsoft, поэтому для просмотра скачивайте PDF-версию. А если нужно редактировать файл, то используйте оригинальный файл.
Файлы такого типа обычно разбиты на страницы, а текст может быть форматированным (жирный, курсив, выбор шрифта, таблицы и т.п.), а также в него можно добавлять изображения. Формат идеально подходит для рефератов, докладов и РПЗ курсовых проектов, которые необходимо распечатать. Кстати перед печатью также сохраняйте файл в PDF, так как принтер может начудить со шрифтами.














