1.3.1.1.2.3.4 Комплементарный эмиттерный повторитель по схеме Дарлингтона (988181)
Текст из файла
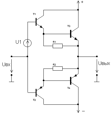
Комплементарный эмиттерный повторитель по схеме Дарлингтона.
В рассмотренных до сих пор схемах ток в нагрузке может составлять несколько десятков миллиампер. При необходимости получения больших выходных токов следует применять транзисторы с более высокими допустимыми токами. Для этих целей можно использовать составные транзисторы по схеме Дарлингтона. На рис.10 приведена принципиальная схема усилителя мощности, в которой используется принцип Дарлингтона. Сама схема Дарлингтона состоит из двух пар транзисторов: Т1 и Т2, Т3 и Т4.
При работе этой схемы в режиме АВ установка тока покоя связана с определенными затруднениями, поскольку необходимо скомпенсировать четыре зависящих от температуры напряжения база-эмиттер. Этого можно избежать, задавая ток покоя только для предоконечных транзисторов Т1 и Т2. При этом мощные выходные транзисторы будут открываться лишь при больших выходных токах. С этой целью величину напряжения смещения U1 выбирают такой, чтобы падение напряжения на резисторах R1 и R2 составляло около 0.4 В, так что U1=2*(0.4+0.7)=2.2 B. В этом случае выходные транзисторы даже при высокой температуре перехода оказываются запертыми.
Рис.10 Комплентарная схема Дарлингтона
При увеличении выходного тока напряжение база-эмиттер выходных транзисторов возрастает приблизительно до 0.8 В. В результате падение напряжения на резисторах R1 и R2 ограничивается удвоенной величиной смещения при отсутствии сигнала. По этой причине большая часть эмиттерного тока предоконечных транзисторов попадает в базу оконечных транзисторов.
Резисторы R1 и R2 одновременно служат сопротивлениями утечки для базового заряда выходных транзисторов. Чем меньше значения этих сопротивлений, тем быстрее будут запираться выходные транзисторы. Это особенно важно в тех случаях, когда при изменении знака входного напряжения один транзистор открыт, хотя второй еще не заперт. В данном случае через выходные транзисторы будет протекать шунтирующий ток, вызывающий искажение выходного сигнала. Это приводит к ограничению полосы пропускания выходного каскада при больших сигналах.
Характеристики
Тип файла документ
Документы такого типа открываются такими программами, как Microsoft Office Word на компьютерах Windows, Apple Pages на компьютерах Mac, Open Office - бесплатная альтернатива на различных платформах, в том числе Linux. Наиболее простым и современным решением будут Google документы, так как открываются онлайн без скачивания прямо в браузере на любой платформе. Существуют российские качественные аналоги, например от Яндекса.
Будьте внимательны на мобильных устройствах, так как там используются упрощённый функционал даже в официальном приложении от Microsoft, поэтому для просмотра скачивайте PDF-версию. А если нужно редактировать файл, то используйте оригинальный файл.
Файлы такого типа обычно разбиты на страницы, а текст может быть форматированным (жирный, курсив, выбор шрифта, таблицы и т.п.), а также в него можно добавлять изображения. Формат идеально подходит для рефератов, докладов и РПЗ курсовых проектов, которые необходимо распечатать. Кстати перед печатью также сохраняйте файл в PDF, так как принтер может начудить со шрифтами.















