1.3.1.1.2.3.3 Способы задания напряжения смещения (988179)
Текст из файла
Способы задания напряжения смещения.
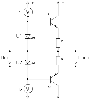
Один из способов задания напряжения смещения иллюстрируется на рис.8. Падение напряжения на диодах VD1 и VD2 составляет примерно U1=U2=0.7 В. При этом напряжении через транзисторы Т1 и Т2 течет небольшой ток покоя.
Рис.8 Задание начального смещения с помощью диодов
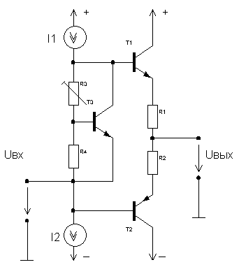
Схема, с помощью которой можно в широких пределах изменять напряжение смещения, изображена на рис.9. Транзистор Т3 охвачен отрицательной обратной связью, реализованной с помощью делителя напряжения на резисторах R3 и R3. Напряжение коллектор-эмиттер при пренебрежительно малом токе базы устанавливается равным
Д
ля получения требуемого температурного коэффициента в качестве R3 часто применяют
терморезистор с отрицательным температурным коэффициентом, который помещают на
радиаторе транзистора. С помощью таких мер можно добиться практической независимости тока покоя от температуры даже при температуре корпуса выходного транзистора ниже темпе ратуры его перехода.
Рис.9 Задание начального смещения с помощью транзистора.
В описанных схемах задания напряжения смещения базовый ток выходных транзисторов, обусловленный наличием входного напряжения, отсутствует. Ток базы выходных транзисторов должен быть задан с помощью источника постоянного тока. Величина постоянного тока I1 должна быть больше максимального базового тока транзисторов Т1 и Т2, чтобы диоды VD1 и VD2 при максимальном входном сигнале не запирались. По этой причине не следует заменять источники тока на резисторы, поскольку ток в этом случае будет убывать при возрастании входного сигнала.
Характеристики
Тип файла документ
Документы такого типа открываются такими программами, как Microsoft Office Word на компьютерах Windows, Apple Pages на компьютерах Mac, Open Office - бесплатная альтернатива на различных платформах, в том числе Linux. Наиболее простым и современным решением будут Google документы, так как открываются онлайн без скачивания прямо в браузере на любой платформе. Существуют российские качественные аналоги, например от Яндекса.
Будьте внимательны на мобильных устройствах, так как там используются упрощённый функционал даже в официальном приложении от Microsoft, поэтому для просмотра скачивайте PDF-версию. А если нужно редактировать файл, то используйте оригинальный файл.
Файлы такого типа обычно разбиты на страницы, а текст может быть форматированным (жирный, курсив, выбор шрифта, таблицы и т.п.), а также в него можно добавлять изображения. Формат идеально подходит для рефератов, докладов и РПЗ курсовых проектов, которые необходимо распечатать. Кстати перед печатью также сохраняйте файл в PDF, так как принтер может начудить со шрифтами.









