1.3.1.1.2.3.2 Комплементарный эмиттерный повторитель в режиме АВ (988176)
Текст из файла
Комплементарный эмиттерный повторитель в режиме АВ.
На рис.5 показана переходная характеристика Uвх=f(Uвых) для двухтактного режима В, которая соответствует схеме, рассмотренной в предыдущем разделе. Вблизи нуля ток на открытом транзисторе очень мал, а внутреннее сопротивление - большое. В результате прирост напряжения на нагрузке в этой области оказывается меньше, чем изменение входного сигнала.
Э
то и является причиной появления излома характеристики вблизи нуля. Возникающие при этом искажения выходного напряжения называют переходными искажениями. При задании небольшого тока покоя транзисторов их внутреннее сопротивление уменьшается, а переходная характеристика изменится и примет вид, показанный на рис.6.Видно, что при этом переходные искажения существенно снижаются. Пунктиром показаны переходные характеристики отдельных транзисторов повторителя. Если задать ток по-коя равным максимальному току в нагрузке, то такой режим
работы аналогичен ранее рассмотренному в схеме на рис.2 и в данном случае будет называться двухтактным режимом А. Однако переходные искажения в достаточной степени максимального тока в нагрузке. Такой режим работы уси-лителя называют двухтактным режимом АВ.
Рис.5 Переходные искажения в режиме В уменьшены, даже если ток покоя незначительную часть
В этом режиме переходные искажения настолько малы, что с помощью обратной связи могут быть легко снижены до пренебрежимо малой величины.
В схеме могут возникать также искажения, связанные с неодинаковым усилением отрицательных и положительных напряжений. Они, как правило, возникают, когда ко входу комплементарного эмиттерного повторителя подключен высокоомный источник сигнала и транзисторы имеют разные коэффициенты передачи по току. Поэтому, если в схеме не предусмотрено глубокой обратной связи, следует подбирать транзисторы с как можно более близкими значениями коэффициента передачи тока.
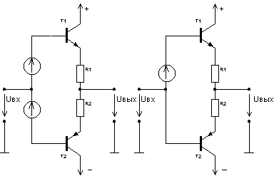
На рис.7а приведена принципиальная схема двухтактного каскада, реализующего режим АВ. Для обеспечения малого значения тока покоя следует приложить постоянное напряжение порядка 1.4 В между базовыми выводами транзисторов Т1 и Т2. Если напряжения U1 и U2 равны, выходной потенциал покоя равен входному потенциалу покоя. Можно также начальное смещение задавать с помощью одного источника напряжения U3=U1+U2, как показано на рис.7б. В этом случае возникает разность потенциалов на входе и выходе схемы, равная приблизительно 0.7 В.
Рис.6 Переходные искажения в режиме АВ
Основная проблема режима АВ состоит в необходимости поддержания неизменным тока покоя в широком диапазоне рабочих температур. При повышении температуры транзистора ток покоя увеличивается. Это приводит к дальнейшему росту температуры транзистора и в результате к его тепловому разрушению. Такой эффект называется термической положительной обратной связью. Для компенсации положительной связи при повышении температуры транзистора на 1 градус следует уменьшать напряжения U1 и U2 приблизительно на 1 мВ. Для этого можно использовать диоды, установленные на корпусе мощных транзисторов.
Такая температурная компенсация, конечно, оказывается неполной, поскольку существует значительное различие в температурах перехода транзистора и его корпуса. Поэтому применяются дополнительные меры по стабилизации тока покоя. Для этой цели служат резисторы R1 и R2, реализующие отрицательную обратную связь по току. Эффективность обратной связи увеличивается с возрастанием величины сопротивлений этих резисторов.
а) б)
Рис.7 а - установка режима АВ с помощью двух источников напряжения;
б - установка режима АВ с помощью одного источника напряжения.
Однако, поскольку резисторы R1 и R2 включены последовательно с Rн, они снижают мощность, отдаваемую в нагрузку. По этой причине величина сопротивлений обратной связи должна выбираться малой по сравнению с сопротивлением нагрузки. Как будет показано ниже эта проблема может быть разрешена при использовании схемы Дарлингтона.
Характеристики
Тип файла документ
Документы такого типа открываются такими программами, как Microsoft Office Word на компьютерах Windows, Apple Pages на компьютерах Mac, Open Office - бесплатная альтернатива на различных платформах, в том числе Linux. Наиболее простым и современным решением будут Google документы, так как открываются онлайн без скачивания прямо в браузере на любой платформе. Существуют российские качественные аналоги, например от Яндекса.
Будьте внимательны на мобильных устройствах, так как там используются упрощённый функционал даже в официальном приложении от Microsoft, поэтому для просмотра скачивайте PDF-версию. А если нужно редактировать файл, то используйте оригинальный файл.
Файлы такого типа обычно разбиты на страницы, а текст может быть форматированным (жирный, курсив, выбор шрифта, таблицы и т.п.), а также в него можно добавлять изображения. Формат идеально подходит для рефератов, докладов и РПЗ курсовых проектов, которые необходимо распечатать. Кстати перед печатью также сохраняйте файл в PDF, так как принтер может начудить со шрифтами.















