1.3.1.1.2.3 Комплементарный эмиттерный повторитель (988171)
Текст из файла
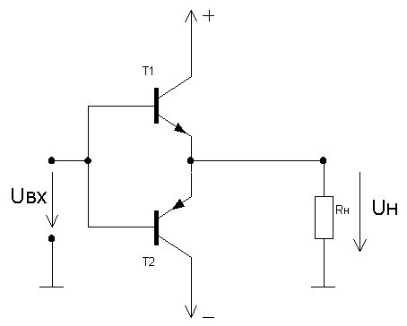
Комплементарный эмиттерный повторитель.
В эмиттенрном повторителе, схема которого приведена на рис.2, мощность в нагрузке ограничена конечным значение м тока, протекающего через резистор Rэ. Существенно большей мощности в нагрузке и более высокого коэффициента полезного действия можно достигнуть, заменив резистор Rэ дополнительным эмиттерным повторителем (рис.3).
Рис.3 Комплементарный эмиттерный повторитель
Характеристики
Тип файла документ
Документы такого типа открываются такими программами, как Microsoft Office Word на компьютерах Windows, Apple Pages на компьютерах Mac, Open Office - бесплатная альтернатива на различных платформах, в том числе Linux. Наиболее простым и современным решением будут Google документы, так как открываются онлайн без скачивания прямо в браузере на любой платформе. Существуют российские качественные аналоги, например от Яндекса.
Будьте внимательны на мобильных устройствах, так как там используются упрощённый функционал даже в официальном приложении от Microsoft, поэтому для просмотра скачивайте PDF-версию. А если нужно редактировать файл, то используйте оригинальный файл.
Файлы такого типа обычно разбиты на страницы, а текст может быть форматированным (жирный, курсив, выбор шрифта, таблицы и т.п.), а также в него можно добавлять изображения. Формат идеально подходит для рефератов, докладов и РПЗ курсовых проектов, которые необходимо распечатать. Кстати перед печатью также сохраняйте файл в PDF, так как принтер может начудить со шрифтами.















