СКАМКО_тех описание (961971), страница 3
Текст из файла (страница 3)
На их основе микросхем L297 и L298 можно реализовать полношаговый и полушаговый режимы и регулировать пиковую величину тока при ШИМ регулировании.
Схема ключевой стабилизации тока с постоянной частотой переключения реализована внутри микросхемы L297 фирмы SGS-Thomson, применение которой сводит к минимуму количество внешних компонентов.
Рис.2.1 Схема ключевой стабилизации тока с постоянной частотой переключения
Ключевым транзистором управляет триггер, который устанавливается специальным генератором. Когда триггер устанавливается, ключевой транзистор открывается и ток фазы начинает расти. Вместе с ним растет и падение напряжения на датчике тока. Когда оно достигает опорного напряжения, компаратор переключается, сбрасывая триггер. Ключевой транзистор при этом выключается и ток фазы начинает спадать до тех пор, пока триггер не будет вновь установлен генератором. Такая схема обеспечивает постоянную частоту коммутации, однако величина пульсаций тока не будет постоянной. Частота генератора обычно выбирается не менее 20кГц, чтобы двигатель не создавал слышимого звука. В то же время слишком высокая частота переключений может вызвать повышенные потери в сердечнике двигателя и потери на переключениях транзисторов. Хотя потери в сердечнике с повышением частоты растут не так быстро ввиду уменьшения амплитуды пульсаций тока с ростом частоты. Пульсации порядка 10% от среднего значения тока обычно не вызывают проблем с потерями.
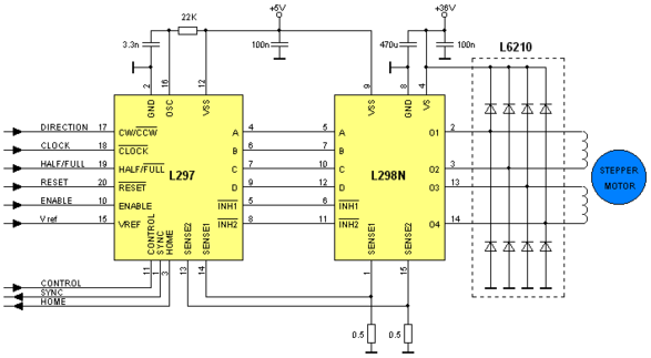
L297 cовместно с микросхемой мостового драйвера L298 образуют законченную систему управления для шагового двигателя (рис. 2.2).
Рис. 2.2. Типовая схема включения микросхем L297 и L298N.
Микросхема L297 сильно разгружает управляющий микроконтроллер, так как от него требуется всего несколько сигналов:
CLOCK - частота повторения шагов;
DIRECTION – направление вращения двигателя;
HALF/FULL – полушаговый/полношаговый режим;
RESET – устанавливает фазы в исходное состояние (ABCD = 0101);
ENABLE – разрешение работы микросхемы;
V ref – опорное напряжение, которое задает пиковую величину тока при ШИМ-регулировании.
Кроме того, имеется несколько дополнительных сигналов.
CONTROL - задает режим работы ШИМ-регулятора.
SYNC – выход внутреннего тактового генератора ШИМ. Он служит для синхронизации работы нескольких микросхем.
HOME – сигнал начального положения (ABCD = 0101). Он используется для синхронизации переключения режимов HALF/FULL. В зависимости от момента перехода в полношаговый режим микросхема может работать в режиме с одной включенной фазой или с двумя включенными фазами.
Режимы работы шаговых двигателей
Существует несколько способов управления фазами шагового двигателя.
Первый способ обеспечивается попеременной коммутацией фаз, при этом они не перекрываются, в один момент времени включена только одна фаза (рис. 6.1, а). Этот способ называют "one phase on full step" или "wave drive mode". Точки равновесия ротора для каждого шага совпадают с "естественными" точками равновесия ротора у незапитанного двигателя. Недостатком этого способа управления является то, что для биполярного двигателя в один и тот же момент времени используется 50% обмоток. Это означает, что в таком режиме не может быть получен полный момент. Поэтому использование такого режима для управления двигателями манипулятора «Скамко-1» не является рационально обоснованным.
Второй способ - управление фазами с перекрытием: две фазы включены в одно и то же время. Его называют "two-phase-on full step" или просто "full step mode". При этом способе управления ротор фиксируется в промежуточных позициях между полюсами статора (рис. 6.1, б), и обеспечивается примерно на 40% больший момент, чем в случае одной включенной фазы. Этот способ управления обеспечивает такой же угол шага, как и первый способ, но положение точек равновесия ротора смещено на половину шага.
Третий способ, когда двигатель делает шаг в половину основного, является комбинацией первых двух и называется полушаговым режимом, "one two-phase-on half step", или просто "half step mode". Каждый второй шаг запитана лишь одна фаза, а в остальных случаях запитаны две (рис. 6.1, в). В результате угловое перемещение ротора составляет половину угла шага для первых двух способов управления. Кроме уменьшения размера шага, этот способ управления позволяет частично избавиться от явления резонанса. Полушаговый режим обычно не позволяет получить полный момент, хотя наиболее совершенные драйверы реализуют модифицированный полушаговый режим, в котором двигатель обеспечивает практически полный момент, при этом рассеиваемая мощность не превышает номинальной.
| Полярность импульсов | Такты коммутации | ||||||
| 1 | 2 | 3 | 4 | ||||
| +UA | X | ||||||
| +UС | X | ||||||
| +UB | X | ||||||
| +UD | X | ||||||
| Полярность импульсов | Такты коммутации | |||
| 1 | 2 | 3 | 4 | |
| +UA | X |
|
| X |
| +UC | X | X |
|
|
| +UB |
| X | X |
|
| +UD |
|
| X | X |
А) Полношаговый режим, включена одна фаза Б) Полношаговый режим, включены две фазы
“one phase on full step” (wave drive mode) “two phase on full step” (full step mode)
| Полярность импульсов | Такты коммутации | |||||||
| 1 | 2 | 3 | 4 | 5 | 6 | 7 | 8 | |
| +UA | X | X |
|
|
|
|
| X |
| +UC |
| X | X | X |
|
|
|
|
| +UB |
|
|
| X | X | X |
|
|
| +UD |
|
|
|
|
| X | X | X |
В) полушаговый режим “one and two phase on half step (half step mode)
Рис. 1.5. Различные способы управления фазами шагового двигателя
Полношаговый режим с двумя включенными фазами рекомендуется использовать, когда необходим больший момент, а полушаговый режим нужен для увеличения точности позиционирования.
В полношаговом режиме с двумя включенными фазами положения точек равновесия ротора смещены на половину шага. Нужно отметить, что эти положения ротор принимает при работе двигателя, но они не могут сохраняться после выключения тока обмоток. Поэтому при включении и выключении питания двигателя ротор будет смещаться на половину шага. Для того чтобы он не смещался при остановке, необходимо подавать в обмотки ток удержания. Это справедливо и для полушагового режима. Следует отметить, что если в выключенном состоянии ротор двигателя поворачивался, то при включении питания возможно смещение ротора и на большую, чем половина шага, величину. Это является причиной увеличения погрешности перемещения степеней робота, но за счёт применения редукторов в сочленениях это увеличение на точность системы в целом влияет совсем незначительно. Наличие редукторов также определяет отсутствие целесообразности реализации микрошагового режима в данной системе управления. К тому же в большинстве случаев для обычных двигателей нельзя гарантировать точного позиционирования в микрошаговом режиме.
Основные характеристики шаговых двигателей
Рис. 6.1.1 Предельная механическая характеристика шагового двигателя.
Рис. 6.1.2 Зависимость момента от угла поворота ротора для одной запитанной обмотки.
Рис. 6.1.3 Зависимость момента от угла поворота ротора для двух запитанных обмоток.
Рис. 6.1.4а Зависимость момента от угла поворота ротора.
Рис. 6.1.4б Возникновение мертвых зон в результате действия трения.














