Методические указания к выполнению лабораторных работ (959223), страница 3
Текст из файла (страница 3)
К импортируемым данным относятся:
-
Графические образы
-
Инерционные параметры
-
Сопряжения
Для импорта данных следует использовать команды меню программы ввода данных модели (UM Input.exe) Инструменты/Импорт из CAD/Компас как показано на рис. 1.30.
Рис. 1.30. Импорт данных из CAD
Далее необходимо указать файл, графическая информация из которого будет конвертироваться в ПК УМ. После успешного конвертирования деталь или сборка загрузится в двух окнах УМ (рис. 1.31).
Рис. 1.31. Деталь, конвертированная из CAD программы
После этого необходимо выполнить следующие действия:
-
В меню первого окна выбрать пункт Инструменты/Вставить в новый UM объект
После этого деталь загрузится в новом активном UM документе
-
Закрыть первые два окна
-
В активном документе с конвертированной деталью в списке элементов модели выбрать Тела
-
В инспекторе перейти на закладку Детали
Появится список деталей, входящих в состав данной сборки. Выбрав с помощью галочек необходимые детали и нажав кнопку Применить, получим абсолютно твердое тело, состоящее из указанных деталей (рис. 1.32).
-
Нажать на кнопку меню Сохранить в файл как компоненту. При этом полученное тело сохранится в файле с расширением bdu.
Рис. 1.32. Создание отдельных элементов сборки
Замечание
В большинстве случаев сохранение сборки как одного твердого тела является нецелесообразным, так как в такой ситуации нельзя назначить шарниры между отдельными компонентами сборки. Эта проблема решается следующим образом: после успешного конвертирования сборки нужно сохранять в файлы либо отдельные детали сборки, либо несколько деталей, которые можно объединить в твердое тело.
После сохранения всех компонент сборки в файлы следует закрыть все активные UM документы и создать новый объект или открыть уже существующую модель к которой необходимо добавить полученные детали. Чтобы добавить в объект компоненту, необходимо открыть пункт меню Правка/Прочитать из файла и указать нужный файл. После этого необходимая деталь появится в списке элементов модели активного документа. Таким образом, можно добавлять неограниченное количество деталей, затем связывать их шарнирами, назначать силовые воздействия и т.д.
-
Запись видеоролика
Иногда удобно демонстрировать результаты моделирования в виде видеоролика. Чтобы записать видеоролик, необходимо выполнить следующие действия:
-
В меню анимационного окна программного пакета UM Simulation выбрать пункт Копировать.
-
В появившемся списке выбрать Анимация.
-
Появится окно настроек анимации (рис. 1.33). В этом окне необходимо поставить галочку Записать анимацию.
Рис. 1.33. Окно настроек анимации
-
Установить свойства анимации (тип, шаг копирования, имя файла и масштаб времени).
-
Нажать кнопку Принять.
-
Запустить моделирование. По окончании процесса моделирования произойдет копирование информации в видеофайл.
Полученный видофайл будет находиться в каталоге модели.
Заключение
В заключение следует отметить, что изучив данное методическое пособие, пользователь овладеет основными приемами работы в такой мощной среде моделирования, как Универсальный механизм, а также научится подключать к данному программному комплексу такие пакеты, как Matlab/Simulink и Компас, что значительно расширяет возможности Универсального механизма. Следует также сказать, что в рамках представленного учебного пособия были рассмотрены только основные возможности ПК УМ. Для более детального изучения программного пакета и его дополнительных возможностей рекомендуется использовать Руководство пользователя, которое можно найти, открыв пункт меню Справка.
-
Применение программного комплекса «Универсальный механизм» для моделирования трехстепенного манипуляционного робота
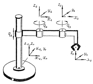
В разделе 1 представлены основные приемы работы в ПК УМ. В качестве примера его использования выполним моделирование манипуляционного робота типа «SCARA», кинематическая схема которого представлена на рис. 2.1. Из рисунка видно, что этот механизм имеет три степени подвижности, определяемые одним линейным (телескопическим) относительным перемещением и двумя вращательными. Масс-инерционные характеристики звеньев приведены в таблице 2.1.
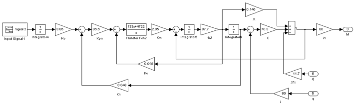
Математическая модель привода первого звена рассматривается с абсолютно жесткой механической передачей. Структурная схема привода, разработанная в среде Matlab Simulink, приведена на рис. 2.2. Модель привода второго звена учитывает упругие свойства механической передачи. Структурная схема модели изображена на рис. 2.3. Модель третьего привода полностью совпадает с моделью второго.
Рис. 2.1. Кинематическая схема манипуляционного робота
Таблица 2.1. Масс-инерционные характеристики звеньев
| Звено | m | rx | ry | rz | Ixx | Iyy | Izz | Ixy | Ixz | Iyz |
| Звено 1 | 116 | -0.136 | 0 | -0.025 | 16 | 22 | 6 | 0 | 0 | 0 |
| Звено 2 | 53 | -0.162 | 0 | 0.218 | 5.3 | 10 | 5 | 0 | 0 | 0 |
| Звено 3 | 47 | -0.025 | 0 | 0.6 | 3.8 | 4.7 | 0.9 | 0 | 0 | 0 |
Здесь m – масса звена; (rx, ry, rz) – координаты центров масс в связанных системах координат; (Ixx, Iyy, Izz, Ixy, Ixz, Iyz) – моменты инерции звеньев.
Рис. 2.2. Структурная схема первого привода
Рис. 2.3. Структурная схема второго и третьего приводов
В предлагаемом примере рассмотрена задача определения переходных процессов при повороте второго звена на 90º.
Для того, чтобы построить обобщенную динамическую модель трехзвенного манипуляционного механизма, нужно последовательно выполнить следующие действия:
-
В ПК УМ создать графические образы звеньев механизма;
-
создать тела звеньев;
-
назначить шарниры, соединяющие звенья;
-
в шарнирах указать идентификаторы сил и моментов, передаваемых приводами;
-
в ПК Matlab Simulink в одном файле создать модели всех трех приводов (как показано на рис. 2.2, 2.3);
-
создать DLL-библиотеку с помощью одного из указанных ранее компиляторов;
-
подключить DLL-библиотеку к ранее разработанной динамической модели манипулятора.
На рис. 2.4 показана полученная динамическая модель трехстепенного манипулятора.
Рис. 2.4. Динамическая модель трехстепеного манипулятора
На рис. 2.5 показаны переходные процессы (положение, скорость и ускорение), полученные при повороте второго звена механизма на 90º. А на рис. 2.6 – 2.8 приведены графики взаимовлияния второго звена на третье (положение, скорость и ускорение).
положение
скорость
ускорение
Рис. 2.5. Переходные процессы при повороте второго звена на 90º
Рис. 2.6. Взаимовлияние приводов. Положение
Рис. 2.7. Взаимовлияние приводов. Скорость
Рис. 2.8. Взаимовлияние приводов. Ускорение
Если в полученной динамической модели изменять значение какого-либо параметра манипуляционного робота, то можно выяснить зависимость качества его работы от этого параметра.
-
Методические указания к выполнению лабораторной работы
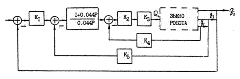
Целью работы является построение динамической модели трехзвенного манипулятора, управляемого системой приводов, моделирование транспортной операции, а также исследование динамических характеристик при изменении параметров манипулятора. Для этого каждому студенту предлагается одна из кинематических схем (см. табл. 3.1), построенных на основе узлов качания (2 варианта: К1, К2), ротации (Р) или телескопического перемещения (Т). Движение в каждом из рассматриваемых узлов обеспечивается с помощью привода, обобщенная структурная схема которого представлена на рис. 3.1. Параметры приводов и узлов приведены в таблице 3.2.
Таблица 3.1. Варианты кинематических схем
Рис. 3.1. Обобщенная структурная схема привода
Таблица 3.2. Параметры приводов и узлов
| Параметры звена и привода робота | Узел К | Узел Р | Узел Т | |
| Вариант 1 | Вариант 2 | |||
| l | 0.7 | 0.55 | 0.875 | 0.785 |
| Ixx | 9.4 | 16.5 | 33.3 | 5.8 |
| Iyy | 9.4 | 16.5 | 33.3 | 5.8 |
| Izz | 0.7 | 0.7 | 9.1 | 0.6 |
| m | 46 | 78 | 194 | 26 |
| d | 19.4 | 24.7 | 30.2 | 4.8 |
| K1 | 3880 | 2330 | 4202 | 1950 |
| K2 | 2.94 | 2.8 | 2.97 | 0.275 |
| K3 | 96 | 117 | 120 | 200 |
| K4 | 0.044 | 0.043 | 0.055 | 0.05 |
| K5 | 156 | 94 | 168 | 78 |
При выполнении лабораторной работы необходимо:
-
построить динамическую модель двухзвенного манипулятора, взяв необходимые данные из таблиц 3.2, 3.3;
-
для каждого звена задать шарнирную силу или шарнирный момент с помощью идентификатора;
-
в среде Matlab Simulink построить модель системы управления приводами для каждого звена манипулятора с заданным законом управления (например, изменение скорости по закону трапеции);
-
произвести компиляцию файлов и создать DLL-библиотеку;
-
в ПК УМ создать новый интерфейс и подключить DLL-библиотеку. В качестве входов назначить угловые переменные звеньев, а в качестве выходов – идентификаторы шарнирных моментов;
-
создать в ПК УМ пульт управления, с помощью которого можно задавать управляющие сигналы для приводов манипулятора;
-
в среде Matlab Simulink построить модель системы управления приводами для каждого звена манипулятора с входами, на которые будут подаваться управляющие сигналы с пульта управления;
-
промоделировать систему и построить графики угловых/линейных перемещений звеньев и графики шарнирных моментов для модели с заданными законами управления и для модели с пультом управления;
-
определить взаимовлияние приводов, построить графики и сделать необходимые выводы;
-
определить влияние изменения параметров манипулятора на его динамические характеристики;
-
записать видеоролик.
Отчет о проделанной работе должен содержать:
-
исходные данные (кинематическая схема, структурные схемы приводов, параметры);
-
результаты моделирования транспортной операции с заданными законами управления: графики обобщенных координат, их скорости и ускорения, графики шарнирных сил и моментов;
-
результаты моделирования транспортной операции (закон управления задается с помощью пульта управления): графики обобщенной координаты, скорости и ускорения одного из звеньев манипулятора;
-
графики, подтверждающие наличие взаимовлияния приводов, выводы;
-
анализ влияния изменения параметров манипулятора на его динамические характеристики;
-
видеоролик.
31
















