Лабораторная работа №3 (955220)
Текст из файла
3
Министерство образования и науки Российской Федерации
ГОСУДАРСТВЕННОЕ ОБРАЗОВАТЕЛЬНОЕ УЧЕРЕЖДЕНИЕ ВЫСШЕГО
ПРОФЕССИОНАЛЬНОГО ОБРАЗОВАНИЯ
Московский Государственный Технический
Университет им. Н.Э. Баумана
ФАКУЛЬТЕТ РАДИОЭЛЕКТРОНИКИ И ЛАЗЕРНОЙ ТЕХНИКИ
КАФЕДРА ТЕХНОЛОГИИ ПРИБОРОСТРОЕНИЯ
Сагателян Г.Р.
РАСЧЁТ КОЛИЧЕСТВЕННЫХ ПОКАЗАТЕЛЕЙ ТЕХНОЛОГИЧНОСТИ СБОРОЧНЫХ ЕДИНИЦ ИЗДЕЛИЯ
(Методические указания для выполнения лабораторной работы №3 по курсу «Основы технологии приборостроения»)
(Учебное пособие)
Москва 2009
Методику расчета комплексных показателей технологичности конструкции деталей будем рассматривать на примере изделия «Зажим гидравлический» (рис. 1). В предыдущей лабораторной работе применительно к этому изделию был построен граф показателей технологичности (рис.2).
ПОСТРОЕНИЕ МАТЕМАТИЧЕСКИХ МОДЕЛЕЙ ДЛЯ РАСЧЁТА ОБОБЩАЮЩИХ ПОКАЗАТЕЛЕЙ ТЕХНОЛОГИЧНОСТИ КОНСТРУКЦИИ
ДЕТАЛЕЙ СБОРОЧНЫХ ЕДИНИЦ
Вершины
графа (см. рис. 2) являются числами, лежащими в диапазоне [0;1], количественно характеризующими технологичность конструкций конкретной детали.
Детали, входящие в одну сборочную единицу, характеризуются обобщающим их технологичность показателем, который также должен быть числом из диапазона [0;1].
Считается, что в формировании обобщающего показателя технологичности больший вклад должны вносить более сложные детали.
Обобщающий показатель технологичности
(см. рис. 2) деталей, входящих непосредственно в «Зажим гидравлический» рассчитывается по формуле
где
,
и
- комплексные показатели технологичности деталей соответственно «Плита» (поз 3), «Болт М16» (поз. 12) и «Корпус» (поз. 4).
,
и
- количество размеров, которые необходимо выдержать для изготовления деталей «Плита» (поз. 3), «Болт М16» (поз. 12) и «Корпус» (поз. 4) соответственно.
Предлагается, что сложность конструкции детали определяется количеством выдерживаемых размеров, необходимых для её изготовления.
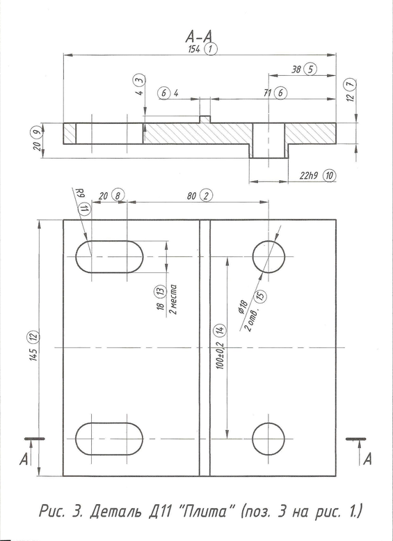
Для определения величин
,
и
на рис. 3, 4 и 5 приведены чертежи деталей «Плита» (поз. 3), «Болт М16» (поз. 12) и «Корпус» (поз. 4).
Непосредственным подсчётом количества выдерживаемых размеров деталей на этих чертежах получаем:
Обобщающие показатели технологичности деталей, входящих в состав сборочных единиц, определяем по формулам, аналогичным формуле (1).
Так, обобщенный показатель технологичности деталей сборочной единицы СЕ2 «Зажим с пластиной» определяется по формуле:
где
и
- комплексные показатели технологичности деталей Д1 «Зажим» (поз. 1) и Д2 «Пластина» (поз. 9);
и
- количество выдерживаемых размеров для изготовления тех же деталей.
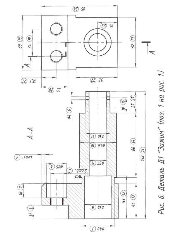
Для определения величин
и
выполнены чертежи деталей «Зажим» (рис. 6) и «Пластина» (рис. 7), из непосредственного расчёта количества выдерживаемых размеров на которых имеем:
| Формат | Зона | Позиция | Обозначение | Наименование | Колич. | Прим. |
| А2 А3 А3 А3 А3 А4 А3 А4 А3 А4 А4 А3 А4 А4 А4 | 1 2 3 4 5 6 7 8 9 10 11 12 13 14 15 16 17 18 19 20 21 | МЧ00.04.00.00.СБ МЧ00.04.00.01 МЧ00.04.00.02 МЧ00.04.00.03 МЧ00.04.00.04 МЧ00.04.00.05 МЧ00.04.00.06 МЧ00.04.00.07 МЧ00.04.00.08 МЧ00.04.00.09 МЧ00.04.00.10 МЧ00.04.00.11 МЧ00.04.00.12 МЧ00.04.00.13 МЧ00.04.00.14 | Документация Сборочный чертеж Детали Зажим Винт Плита Корпус Гайка Цилиндр Крышка Крышка Пластина Втулка Поршень Болт М16 Пробка Пружина Стандартные изделия Винт А.М16х30.58 ГОСТ 1491-80 Гайка М16.5 ГОСТ 5915-70 Кольцо 0288-033-30 ГОСТ 9833-73 Кольцо 055-060-30 ГОСТ 9833-73 Кольцо СГ 28-17-3 ГОСТ 6418-81 Штифт 4h8x25 ГОСТ 3128-70 Шайба 16.01.019 ГОСТ 11371-78 | 1 1 1 1 1 1 1 1 1 1 1 4 1 1 2 4 1 2 1 1 4 |
Описание работы изделия. Гидравлический зажим одностороннего действия
предназначен для закрепления обрабатываемой детали.
Зажим устанавливают в поперечный паз стола станка при помощи нижнего выступа
плиты поз.3 и закрепляют четырьмя болтами поз.12. Зажим устанавливают в одно из
трех фиксируемых положений (верхний выступ в плите поз.3 соответственно входит в
одну из трех канавок в корпусе поз.4) перпендикулярно станочным пазам, что
обеспечивает его неподвижность при большом зажимном усилии.
В корпусе поз.4 расположен зажим поз.1, соединенный с винтом поз.2 и
поршнем поз.11 гидроцилиндра. К резьбовому отверстию крышки поз.7 присоединяют гибкий шланг системы. Под давлением масла поршень перемещается влево, действуя на зажим поз.1, который закрепляет обрабатываемую деталь. В исходное положение зажим возвращает пружина поз.14. Уплотнительные кольца поз. 17,18,19 обеспечивают герметичность гидроцилиндра.
Материал Деталей: Поз.1,4 – 6, 8 – Отливка 15Л-1 ГОСТ 977-25; Поз.2,10,12,13 – Сталь 20 ГОСТ 1050-74; Поз. 14 – Сталь 65Г ГОСТ 1050-74; Поз. 3, 7 – сталь 45; Поз. 9 – сталь У8А; Поз. 11 – сталь 40х.
Рис. 1. Зажим гидравлический.
Обобщающий показатель технологичности деталей сборочной единицы СЕ3 «Винт в сборе» определяется по формуле:
где
,
и
- комплексные показатели технологичности деталей Д3 «Винт» (поз. 2), Д4 «Пробка» (поз. 13) и Д5 «Втулка» (поз. 10).
,
и
- количество размеров, которые необходимо выдержать для изготовления деталей Д3 «Винт», Д4 «Пробка» и Д5 «Втулка» соответственно.
Для определения величин
,
и
на рис. 8, 9, 10 приведены чертежи деталей «Винт» (поз. 2), «Пробка» (поз. 13) и «Втулка» (поз. 10).
Непосредственным подсчётом количества выдерживаемых размеров деталей на этих чертежах получаем:
Далее, обобщающий показатель технологичности деталей сборочной единицы СЕ4 «Гидроцилиндр в сборе» определяется по формуле:
где
и
- комплексные показатели технологичности деталей Д10 «Пружина» (поз. 14) и Д14 «Цилиндр» (поз. 6);
и
- количество выдерживаемых размеров для изготовления тех же деталей.
Для определения величин
и
на рис. 11 и 12 приведены чертежи деталей «Пружина» (поз. 14) и «Цилиндр» (поз. 6).
Непосредственным подсчётом количества выдерживаемых размеров деталей на этих чертежах получаем:
Обобщенный показатель технологичности деталей сборочной единицы СЕ5 «Крышка в сборе левая» определяется по формуле:
где
и
- комплексные показатели технологичности деталей Д6 «Крышка» (поз. 8) и Д7 «Гайка» (поз. 5);
и
- количество выдерживаемых размеров для изготовления тех же деталей.
Для определения величин
и
выполнены чертежи деталей «Крышка» (рис. 13) и «Гайка» (рис. 14). Из непосредственно подсчёта количества выдерживаемых размеров на этих чертежах имеем:
Характеристики
Тип файла документ
Документы такого типа открываются такими программами, как Microsoft Office Word на компьютерах Windows, Apple Pages на компьютерах Mac, Open Office - бесплатная альтернатива на различных платформах, в том числе Linux. Наиболее простым и современным решением будут Google документы, так как открываются онлайн без скачивания прямо в браузере на любой платформе. Существуют российские качественные аналоги, например от Яндекса.
Будьте внимательны на мобильных устройствах, так как там используются упрощённый функционал даже в официальном приложении от Microsoft, поэтому для просмотра скачивайте PDF-версию. А если нужно редактировать файл, то используйте оригинальный файл.
Файлы такого типа обычно разбиты на страницы, а текст может быть форматированным (жирный, курсив, выбор шрифта, таблицы и т.п.), а также в него можно добавлять изображения. Формат идеально подходит для рефератов, докладов и РПЗ курсовых проектов, которые необходимо распечатать. Кстати перед печатью также сохраняйте файл в PDF, так как принтер может начудить со шрифтами.















